



MAXIM INTEGRATED PRODUCTS MAX3096ESE+ 芯片, 接收器, RS422/RS485, 10MBPS, 3.6V, NSOIC-16
The is a ±15KV ESD protected, 10Mbps, 3V, quad RS422/RS485 receiver in 16 pin NSOIC package. This device is a rugged, low power, quad, RS422/RS485 receiver with electrostatic discharge ESD protection for use in harsh environments. The receiver inputs are protected ±15KV using IEC 1000- 4-2 air gap discharge, ±8KV using IEC 1000-4-2 contact discharge and ±15KV using human body model. The receiver propagation delay is within ±10ns of a predetermined value, thereby ensuring device to device matching across production lots. Complementary enable inputs can be used to place the device in a 1nA low power shutdown mode in which the receiver outputs are high impedance. It features fail-safe circuitry which has a logic high receiver output when the receiver input is open.
电源电压DC 3.13V min
供电电流 2.40 mA
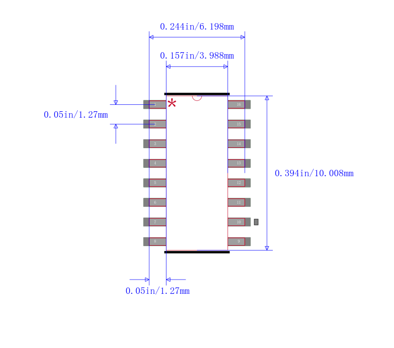
针脚数 16
数据速率 10.0 Mbps
工作温度Max 85 ℃
工作温度Min -40 ℃
电源电压 3V ~ 3.6V
电源电压Max 3.6 V
电源电压Min 3.135 V
安装方式 Surface Mount
引脚数 16
封装 SO-Narrow-16
封装 SO-Narrow-16
工作温度 -40℃ ~ 85℃
产品生命周期 Unknown
包装方式 Each
制造应用 Industrial, Communications & Networking
RoHS标准 RoHS Compliant
含铅标准 Lead Free
REACH SVHC版本 2015/06/15



| 型号/品牌 | 代替类型 | 替代型号对比 |
|---|---|---|
MAX3096ESE+ Maxim Integrated 美信 | 当前型号 | 当前型号 |
MAX3096ESE 美信 | 完全替代 | MAX3096ESE+和MAX3096ESE的区别 |
MAX3096CSE+T 美信 | 类似代替 | MAX3096ESE+和MAX3096CSE+T的区别 |
MAX3096CSE+ 美信 | 功能相似 | MAX3096ESE+和MAX3096CSE+的区别 |