MMSZ5240B-VGS08

MMSZ5240B-VGS08中文资料参数规格
技术参数

耗散功率 500 mW

稳压值 10 V

封装参数

安装方式 Surface Mount

引脚数 2

封装 SOD-123

外形尺寸

封装 SOD-123

其他

包装方式 Tape & Reel TR

符合标准

RoHS标准 RoHS Compliant

数据手册

MMSZ5240B-VGS08引脚图与封装图
MMSZ5240B-VGS08引脚图
MMSZ5240B-VGS08封装图
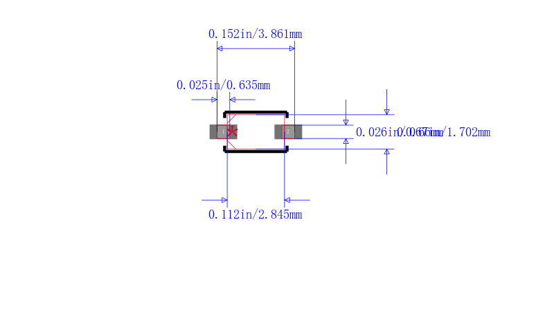
MMSZ5240B-VGS08封装焊盘图
在线购买MMSZ5240B-VGS08
型号: MMSZ5240B-VGS08
制造商: VISHAY 威世
描述:SOD-123 10V 0.5W1/2W
替代型号MMSZ5240B-VGS08
型号/品牌 代替类型 替代型号对比

MMSZ5240B-VGS08

VISHAY 威世

当前型号

当前型号

MMSZ5240BT1G

安森美

类似代替

MMSZ5240B-VGS08和MMSZ5240BT1G的区别

BZT52C10-7-F

美台

类似代替

MMSZ5240B-VGS08和BZT52C10-7-F的区别

MMSZ5240B-7-F

美台

类似代替

MMSZ5240B-VGS08和MMSZ5240B-7-F的区别

 锐单商城 - 一站式电子元器件采购平台  

 深圳锐单电子有限公司