






双路,宽带,与Active脱机控制高输出电流运算放大器 Dual, Wideband, High Output Current Operational Amplifier with Active Off-Line Control
Current Feedback Amplifier 2 Circuit 16-VQFN 4x4
得捷:
IC OPAMP CFA 2 CIRCUIT 16VQFN
立创商城:
OPA2673IRGVR
德州仪器TI:
Dual, Wideband, High Output Current Amplifier and PLC Line Driver with Active Off-line Control
贸泽:
High Speed Operational Amplifiers Dual WB Hi Out Crnt Op Amp
艾睿:
OP Amp Dual Current Fdbk
安富利:
OP Amp Dual Current Fdbk ±6.5V 16-Pin VQFN EP T/R
Verical:
OP Amp Dual Current Fdbk ±6.5V 16-Pin VQFN EP T/R
Win Source:
IC OPAMP CFA 600MHZ 16VQFN
供电电流 32 mA
电路数 2
通道数 2
共模抑制比 50dB ~ 56dB
输入补偿漂移 25.0 µV/K
转换速率 3.00 kV/μs
增益频宽积 600 MHz
输入补偿电压 2 mV
输入偏置电流 6 µA
可用通道 D
工作温度Max 85 ℃
工作温度Min 40 ℃
3dB带宽 600 MHz
共模抑制比Min 50 dB
安装方式 Surface Mount
引脚数 16
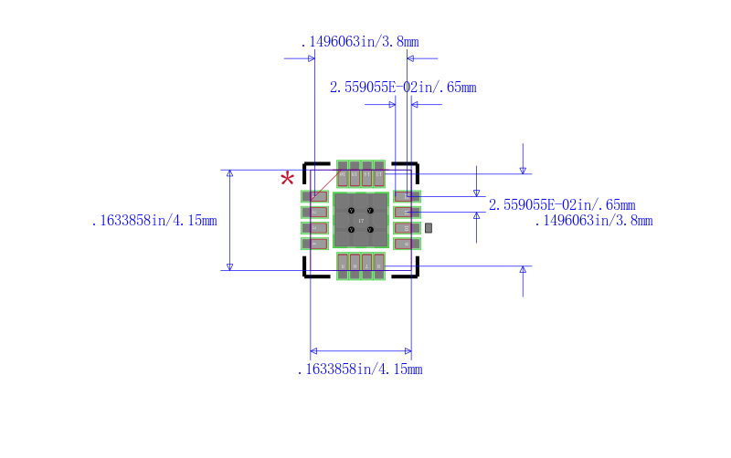
封装 VQFN-16
长度 4 mm
宽度 4 mm
高度 0.9 mm
封装 VQFN-16
工作温度 -40℃ ~ 85℃
产品生命周期 Active
包装方式 Tape & Reel TR
RoHS标准 RoHS Compliant
含铅标准 Lead Free



| 型号/品牌 | 代替类型 | 替代型号对比 |
|---|---|---|
OPA2673IRGVR TI 德州仪器 | 当前型号 | 当前型号 |
OPA2673IRGVT 德州仪器 | 类似代替 | OPA2673IRGVR和OPA2673IRGVT的区别 |
OPA2673IRGVTG4 德州仪器 | 类似代替 | OPA2673IRGVR和OPA2673IRGVTG4的区别 |
OPA2673IRGVRG4 德州仪器 | 功能相似 | OPA2673IRGVR和OPA2673IRGVRG4的区别 |