






为200MHz , CMOS运算放大器 200MHz, CMOS OPERATIONAL AMPLIFIER
CMOS 放大器 电路 满摆幅 8-SOIC
立创商城:
OPA2356AIDG4
得捷:
IC CMOS 2 CIRCUIT 8SOIC
艾睿:
OP Amp Dual Volt Fdbk R-R O/P ±2.75V/5.5V 8-Pin SOIC Tube
Chip1Stop:
OP Amp Dual Volt Fdbk R-R O/P ±2.75V/5.5V 8-Pin SOIC Tube
Verical:
Op Amp Dual High Speed Amplifier R-R O/P ±2.75V/5.5V 8-Pin SOIC Tube
供电电流 8.3 mA
电路数 2
通道数 2
共模抑制比 66 dB
输入补偿漂移 7.00 µV/K
带宽 200 MHz
转换速率 300 V/μs
增益频宽积 200 MHz
输入补偿电压 2 mV
输入偏置电流 3 pA
可用通道 S, D
工作温度Max 125 ℃
工作温度Min -40 ℃
3dB带宽 450 MHz
增益带宽 200 MHz
共模抑制比Min 66 dB
安装方式 Surface Mount
引脚数 8
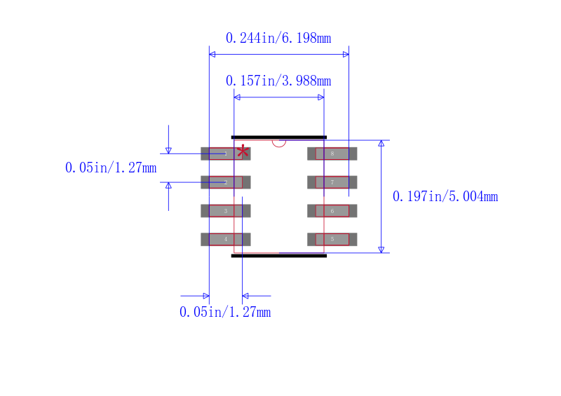
封装 SOIC-8
高度 1.5 mm
封装 SOIC-8
工作温度 -40℃ ~ 125℃
产品生命周期 Active
包装方式 Tube
RoHS标准 RoHS Compliant
含铅标准 Lead Free



| 型号/品牌 | 代替类型 | 替代型号对比 |
|---|---|---|
OPA2356AIDG4 TI 德州仪器 | 当前型号 | 当前型号 |
OPA2356AIDGKT 德州仪器 | 完全替代 | OPA2356AIDG4和OPA2356AIDGKT的区别 |
OPA2356AIDGKR 德州仪器 | 完全替代 | OPA2356AIDG4和OPA2356AIDGKR的区别 |
OPA2356AIDGKTG4 德州仪器 | 完全替代 | OPA2356AIDG4和OPA2356AIDGKTG4的区别 |