





高速运算放大器 Low Pwr Wideband Vltg Feedback
电压反馈 放大器 1 电路 - 8-SOIC
得捷:
IC VOLTAGE FEEDBACK 1 CIRC 8SOIC
贸泽:
高速运算放大器 Low Pwr Wideband Vltg Feedback
艾睿:
Op Amp Single Low Power Amplifier ±6V/12V 8-Pin SOIC T/R
Win Source:
IC VOLTAGE FEEDBACK 1 CIRC 8SOIC / Voltage Feedback Amplifier 1 Circuit 8-SOIC
输出电流 35mA @5V
供电电流 1.1 mA
电路数 1
通道数 1
耗散功率 79 mW
带宽 130 MHz
转换速率 500 V/μs
增益频宽积 130 MHz
输入补偿电压 1 mV
输入偏置电流 100 nA
可用通道 S
工作温度Max 85 ℃
工作温度Min -40 ℃
3dB带宽 260 MHz
共模抑制比Min 59 dB
安装方式 Surface Mount
引脚数 8
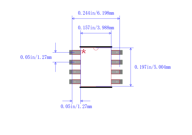
封装 SOIC-8
长度 4.9 mm
宽度 3.91 mm
高度 1.58 mm
封装 SOIC-8
工作温度 -40℃ ~ 85℃
产品生命周期 Active
包装方式 Tape & Reel TR
RoHS标准 RoHS Compliant
含铅标准 Contains Lead



| 型号/品牌 | 代替类型 | 替代型号对比 |
|---|---|---|
OPA890IDR TI 德州仪器 | 当前型号 | 当前型号 |
OPA890IDG4 德州仪器 | 完全替代 | OPA890IDR和OPA890IDG4的区别 |
OPA890IDRG4 德州仪器 | 完全替代 | OPA890IDR和OPA890IDRG4的区别 |
LMH6639MA/NOPB 德州仪器 | 类似代替 | OPA890IDR和LMH6639MA/NOPB的区别 |