










四通道,低失调,低功耗运算放大器 Quad Low Offset, Low Power Operational Amplifier
GENERAL DESCRIPTION
The OP400 is the first monolithic quad operational amplifier that features OP77-type performance. Precision performance is not sacrificed with the OP400 to obtain the space and cost savings offered by quad amplifiers.
FEATURES
Low input offset voltage: 150 μV maximum
Low offset voltage drift over –55°C to +125°C: 1.2 pV/°C maximum
Low supply current per amplifier: 725 μA maximum
High open-loop gain: 5000 V/mV minimum
Input bias current: 3 nA maximum
Low noise voltage density: 11 nV/√Hz at 1 kHz
Stable with large capacitive loads: 10 nF typical
Pin-compatible to LM148, HA4741, RM4156, and LT1014, with improved performance
Available in die form
电源电压DC 3.00V min
供电电流 600 µA
电路数 4
通道数 4
共模抑制比 110 dB
输入电容 3.20 pF
带宽 500 kHz
转换速率 150 nV/μs
增益频宽积 500 kHz
输入阻抗 200 GΩ
输入补偿电压 80 µV
输入偏置电流 750 pA
工作温度Max 85 ℃
工作温度Min -40 ℃
增益带宽 0.5 MHz
共模抑制比Min 110 dB
电源电压 3V ~ 18V
电源电压Max 18 V
电源电压Min 3 V
安装方式 Surface Mount
引脚数 16
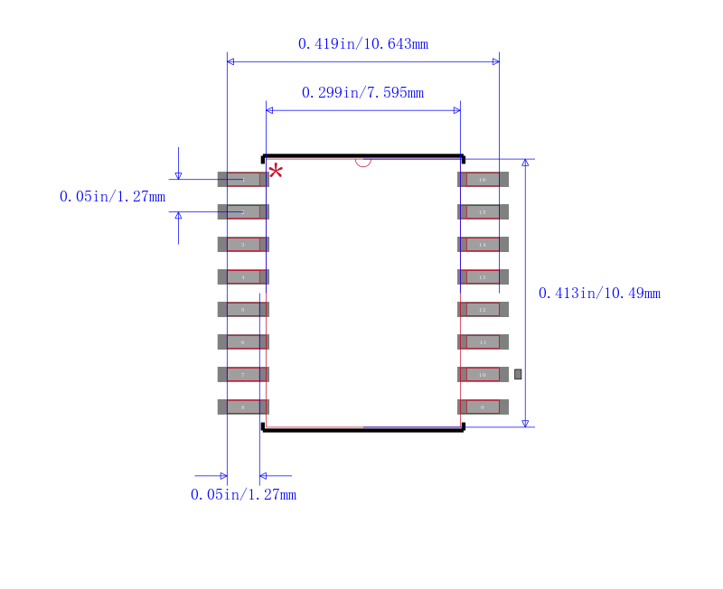
封装 SOIC-16
长度 10.5 mm
宽度 7.6 mm
高度 2.35 mm
封装 SOIC-16
工作温度 -40℃ ~ 85℃
产品生命周期 Active
包装方式 Tube
RoHS标准 Non-Compliant
含铅标准 Contains Lead
军工级 Yes
REACH SVHC版本 2015/12/17




| 型号/品牌 | 代替类型 | 替代型号对比 |
|---|---|---|
OP400HS ADI 亚德诺 | 当前型号 | 当前型号 |
OP400GSZ 亚德诺 | 类似代替 | OP400HS和OP400GSZ的区别 |
OP467GSZ 亚德诺 | 类似代替 | OP400HS和OP467GSZ的区别 |
OP400HSZ 亚德诺 | 类似代替 | OP400HS和OP400HSZ的区别 |