




























MICROCHIP PIC16F1824-I/ST 微控制器, 8位, 闪存, AEC-Q100, PIC16F18xx, 32 MHz, 7 KB, 256 Byte, 14 引脚, TSSOP
PIC16F1824/1828 8 位闪存
的 PIC16F 系列微控制器 8 位 MCU,将 Microchip 的 PIC® 体系架构融入到引脚和封装选件中,从节省空间的 14 引脚设备到功能丰富的 64 引脚设备。 带有基线、中级或增强型中级体系架构的设备提供多种不同的外围设备组合,可谓设计人员提供灵活性,并为应用提供选择。
PIC16F1824/1828 系列微控制器基于 Microchip 的增强型中级内核,带 16 层深硬件堆栈和 49 个指令。 这些 MCU 提供高达 8 个 MIP、7 千字节程序存储器、256 字节 RAM 和 256 字节数据 EEPROM。 板载可配置振荡器,精确度为 ±1%。
### 微控制器功能
最大 32 MHz CPU 速度
49 个指令
16 级硬件堆栈
32 MHz 内部振荡器 - 可选频率范围 32 MHz 至 31 kHz
12 个输入/输出引脚 –PIC16F1824
18 个输入/输出引脚 –PIC16F1828
XLP 技术
通电重置 POR
通电计时器 PWRT
振荡器启动计时器 OST
掉电重置 BOR
延长监控计时器 WDT
增强型低电压编程 LVP
在线串行编程 ICSP
在线调试 ICD
### 外设
12 位模拟到数字转换器 ADC - PIC16F1824 8 通道、PIC16F1828 12 通道
mTouchTM 电容性传感器模块 - PIC16F1824 8 通道、PIC16F1828 12 通道
两个捕捉/比较/PWM CCP 模块
两个增强型捕获/比较/PWM ECCP 模块
三个运算放大器 - PIC16F1789
两个运算放大器 – PIC16F1788
两个比较器
两个 8 位计时器
一个 16 位计时器
主同步串行端口 MSSP,带有 SPI 和 I2C
增强型通用同步异步接收器发射器 EUSART
固定电压参考 FVR
SR 闩锁
频率 32 MHz
电源电压DC 1.80V min
工作电压 1.8V ~ 5.5V
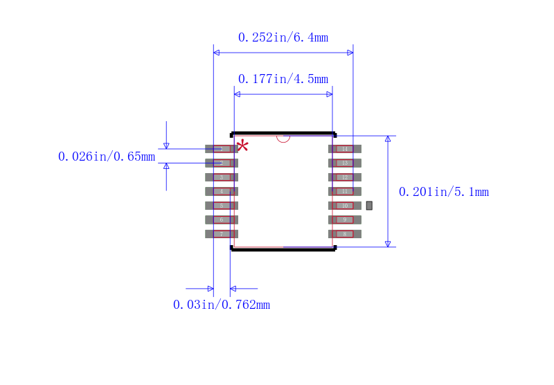
针脚数 14
时钟频率 32 MHz
RAM大小 256 B
位数 8
FLASH内存容量 7 KB
模数转换数ADC 1
输入/输出数 12 Input
工作温度Max 85 ℃
工作温度Min -40 ℃
耗散功率Max 800 mW
电源电压 1.8V ~ 5.5V
电源电压Max 5.5 V
电源电压Min 1.8 V
安装方式 Surface Mount
引脚数 14
封装 TSSOP-14
长度 5 mm
宽度 4.4 mm
高度 1 mm
封装 TSSOP-14
工作温度 -40℃ ~ 85℃
产品生命周期 Active
包装方式 Tube
制造应用 Lighting, 工业, 照明, 医用, 车用, Industrial, 电机驱动与控制, Medical, Industrial, Automotive, Consumer Electronics, , Automotive, 安全, Consumer Electronics, Security, Motor Drive & Control, 消费电子产品
RoHS标准 RoHS Compliant
含铅标准 Lead Free
REACH SVHC标准 No SVHC
REACH SVHC版本 2014/12/17
ECCN代码 EAR99
HTS代码 8542310001



| 型号/品牌 | 代替类型 | 替代型号对比 |
|---|---|---|
PIC16F1824-I/ST Microchip 微芯 | 当前型号 | 当前型号 |
PIC16F1824T-E/SL 微芯 | 完全替代 | PIC16F1824-I/ST和PIC16F1824T-E/SL的区别 |
PIC16F1823-I/ST 微芯 | 类似代替 | PIC16F1824-I/ST和PIC16F1823-I/ST的区别 |
PIC16F1825-I/ST 微芯 | 类似代替 | PIC16F1824-I/ST和PIC16F1825-I/ST的区别 |