P89LPC932A1FDH

P89LPC932A1FDH图片1
P89LPC932A1FDH图片2
P89LPC932A1FDH图片3
P89LPC932A1FDH中文资料参数规格
封装参数

安装方式 Surface Mount

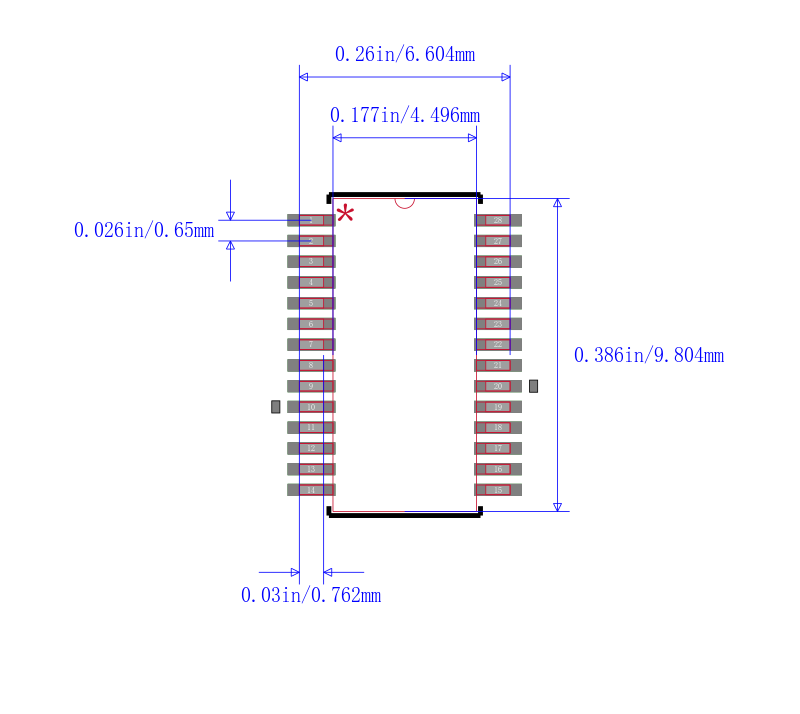
封装 TSSOP-28

外形尺寸

封装 TSSOP-28

其他

产品生命周期 Unknown

符合标准

RoHS标准 RoHS Compliant

含铅标准 Lead Free

数据手册

P89LPC932A1FDH引脚图与封装图
P89LPC932A1FDH引脚图
P89LPC932A1FDH封装图
P89LPC932A1FDH封装焊盘图
在线购买P89LPC932A1FDH
型号: P89LPC932A1FDH
制造商: NXP 恩智浦
描述:NXP恩智浦/P89LPC932A1FDH 管装
替代型号P89LPC932A1FDH
型号/品牌 代替类型 替代型号对比

P89LPC932A1FDH

NXP 恩智浦

当前型号

当前型号

P89LPC9321FDH,518

恩智浦

功能相似

P89LPC932A1FDH和P89LPC9321FDH,518的区别

P89LPC932A1FA

恩智浦

功能相似

P89LPC932A1FDH和P89LPC932A1FA的区别

P89LPC932BDH

恩智浦

功能相似

P89LPC932A1FDH和P89LPC932BDH的区别

 锐单商城 - 一站式电子元器件采购平台  

 深圳锐单电子有限公司