














MICROCHIP PIC16LC771-I/SS 微控制器, 8位, 一次性可编程, PIC16LC7xx, 20 MHz, 7 KB, 256 Byte, 20 引脚, SSOP
PIC PIC® 16C Microcontroller IC 8-Bit 20MHz 7KB 4K x 14 OTP 20-SSOP
立创商城:
PIC 20MHz 闪存:4K@x14bit
得捷:
IC MCU 8BIT 7KB OTP 20SSOP
贸泽:
8位微控制器 -MCU 7KB 256 RAM 16 I/O
e络盟:
8位 MCU微控制单元, 一次性可编程, PIC16 Family PIC16C7x Series Microcontrollers, 20 MHz, 7 KB, 256 Byte, 20 引脚
艾睿:
Used in any modern day system or circuit design this PIC16LC771-I/SS microcontroller from Microchip Technology, will make any design more versatile. This microcontroller has an operating temperature range of -40 °C to 85 °C. It has a maximum clock speed of 20 MHz. This is a 8 bit processor. This device is based on the PIC core architecture. Its ADC resolution is 12. This device has a typical operating supply voltage of 3.3|5 V. Its minimum operating supply voltage of 2.5 V, while its maximum is 5.5 V. Its eprom program memory is 7KB.
Allied Electronics:
IC MCU 8BIT 7KB OTP 20SSOP
安富利:
MCU 8-bit PIC16 PIC RISC 7KB EPROM 3.3V/5V 20-Pin SSOP Tube
Chip1Stop:
MCU 8-bit PIC16 PIC RISC 7KB EPROM 3.3V/5V 20-Pin SSOP Tube
Verical:
MCU 8-bit PIC RISC 7KB EPROM 3.3V/5V 20-Pin SSOP Tube
频率 20 MHz
电源电压DC 5.00 V, 5.50 V max
针脚数 20
时钟频率 20.0 MHz
RAM大小 256 B
位数 8
耗散功率 1000 mW
FLASH内存容量 7 KB
I/O引脚数 16
存取时间 20.0 µs
内核架构 PIC
内存容量 4000 B
内核子架构 PIC16
模数转换数ADC 1
输入/输出数 15 Input
工作温度Max 85 ℃
工作温度Min -40 ℃
耗散功率Max 1000 mW
电源电压 2.5V ~ 5.5V
电源电压Max 5.5 V
电源电压Min 2.5 V
安装方式 Surface Mount
引脚数 20
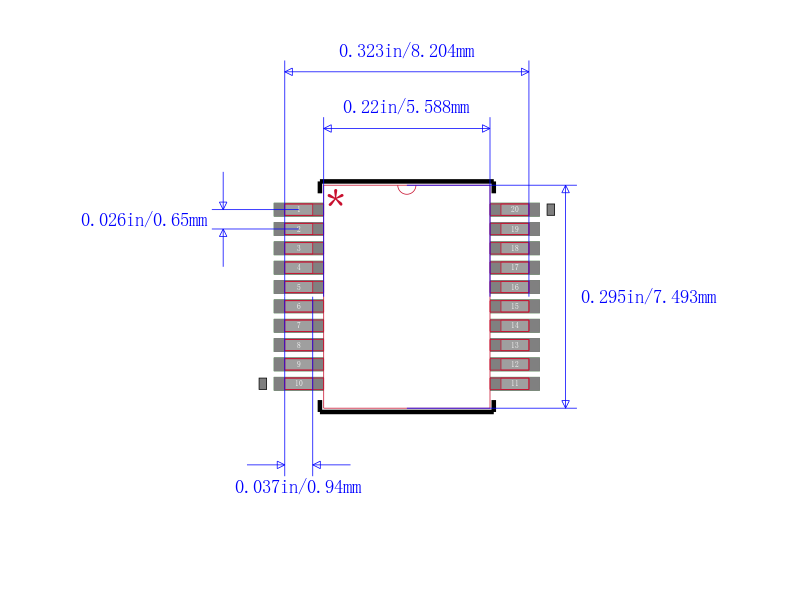
封装 SSOP-20
长度 7.2 mm
宽度 5.3 mm
高度 1.75 mm
封装 SSOP-20
工作温度 -40℃ ~ 85℃
产品生命周期 Unknown
包装方式 Tube
RoHS标准 RoHS Compliant
含铅标准 Lead Free
REACH SVHC标准 No SVHC
REACH SVHC版本 2015/12/17



| 型号/品牌 | 代替类型 | 替代型号对比 |
|---|---|---|
PIC16LC771-I/SS Microchip 微芯 | 当前型号 | 当前型号 |
PIC16LC771-E/SS 微芯 | 类似代替 | PIC16LC771-I/SS和PIC16LC771-E/SS的区别 |
PIC16LC771T-I/SS 微芯 | 类似代替 | PIC16LC771-I/SS和PIC16LC771T-I/SS的区别 |
PIC16LC771T-E/SS 微芯 | 类似代替 | PIC16LC771-I/SS和PIC16LC771T-E/SS的区别 |