








8位微控制器 -MCU 35KB Flsh 128 R 8MHz Int Osc 9-bit DAC
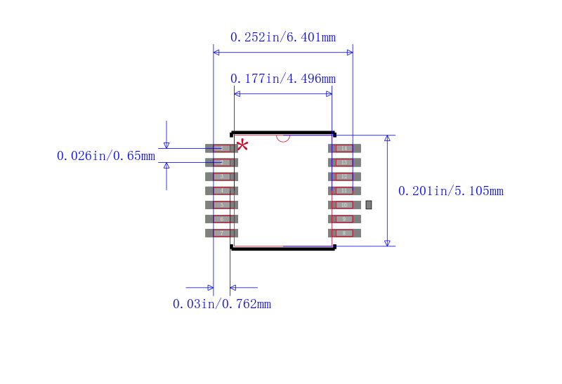
PIC series IC 8 位 20MHz 3.5KB(2K x 14) 闪存 14-TSSOP
立创商城:
PIC 20MHz 闪存:2K@x14bit
得捷:
IC MCU 8BIT 3.5KB FLASH 14TSSOP
贸泽:
8位微控制器 -MCU 35KB Flsh 128 R 8MHz Int Osc 9-bit DAC
艾睿:
MCU 8-bit PIC16 PIC RISC 3.5KB Flash 3.3V/5V Automotive 14-Pin TSSOP Tube


