




PIC16F 系列 7 KB 闪存 512 B RAM 32 MHz 8 位 微控制器 - QFN-20
PIC series IC 8 位 32MHz 7KB(4K x 14) 闪存 20-QFN(4x4)
得捷:
IC MCU 8BIT 7KB FLASH 20QFN
立创商城:
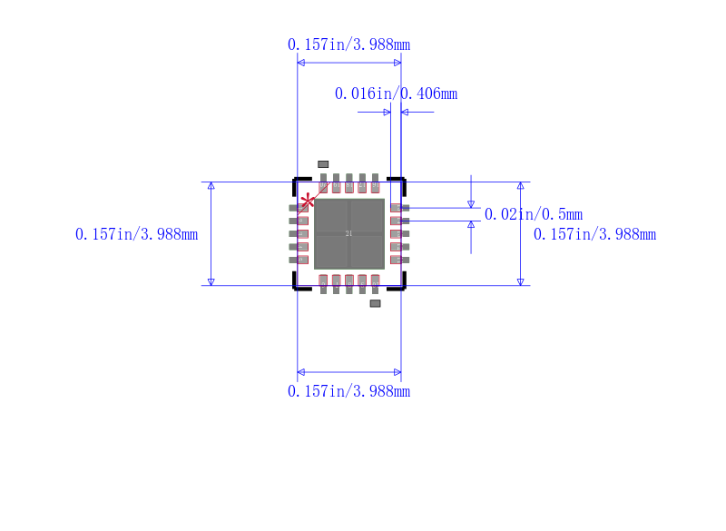
PIC16LF1708-I/ML
艾睿:
MCU 8-bit PIC16 PIC CISC 7KB Flash 3.3V/5V 20-Pin QFN EP Tube
Allied Electronics:
PIC16F Series 7 KB Flash 512 B RAM 32 MHz 8-Bit Microcontroller - QFN-20
安富利:
MCU 8-bit PIC16 PIC RISC 7KB Flash 3.3V 20-Pin QFN Tube/Tray



| 型号/品牌 | 代替类型 | 替代型号对比 |
|---|---|---|
PIC16LF1708-I/ML Microchip 微芯 | 当前型号 | 当前型号 |
PIC16LF1708T-I/ML 微芯 | 完全替代 | PIC16LF1708-I/ML和PIC16LF1708T-I/ML的区别 |