








28 /40/ 44引脚闪存单片机采用纳瓦XLP技术 28/40/44-Pin Flash Microcontrollers with nanoWatt XLP Technology
DEVICE OVERVIEW
The PIC16F72X/PIC16LF72X devices are covered by this data sheet. They are available in 28/40/44-pin packages. Figure 1-1 shows a block diagram of the PIC16F722/723/726/PIC16LF722/723/726 devices
and Figure 1-2 shows a block diagram of the PIC16F724/727/PIC16LF724/727 devices. Table 1-1
shows the pinout descriptions.
立创商城:
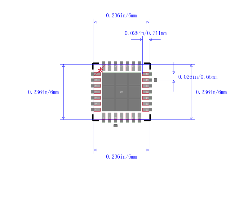
PIC16LF722-E/ML
得捷:
IC MCU 8BIT 3.5KB FLASH 28QFN
贸泽:
8-bit Microcontrollers - MCU 3.5KBFlash 1.8V-5.5V 16 MHz Int Osc
艾睿:
MCU 8-bit PIC16 PIC RISC 3.5KB Flash 2.5V/3.3V 28-Pin QFN EP Tube
Allied Electronics:
3.5 KB Flash, 16 MHz Internal Oscillator, nanoWatt X
安富利:
MCU 8-bit PIC16 PIC RISC 3.5KB Flash 2.5V/3.3V 28-Pin QFN EP Tube



| 型号/品牌 | 代替类型 | 替代型号对比 |
|---|---|---|
PIC16LF722-E/ML Microchip 微芯 | 当前型号 | 当前型号 |
PIC16LF722-I/ML 微芯 | 类似代替 | PIC16LF722-E/ML和PIC16LF722-I/ML的区别 |
PIC16LF722A-I/ML 微芯 | 类似代替 | PIC16LF722-E/ML和PIC16LF722A-I/ML的区别 |
PIC16LF722T-I/ML 微芯 | 类似代替 | PIC16LF722-E/ML和PIC16LF722T-I/ML的区别 |