





PIC 32MHz 闪存:8K@x14bit
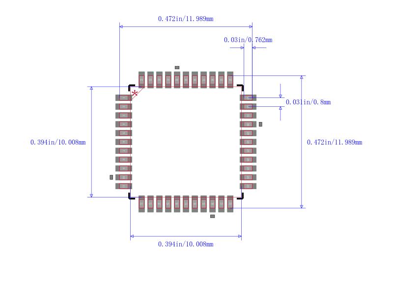
PIC series IC 8 位 32MHz 14KB(8K x 14) 闪存 44-TQFP(10x10)
得捷:
IC MCU 8BIT 14KB FLASH 44TQFP
立创商城:
PIC 32MHz 闪存:8K@x14bit
艾睿:
MCU 8-bit PIC16 PIC RISC 14KB Flash 3.3V/5V 44-Pin TQFP Tray
Allied Electronics:
IC MCU 8BIT 14KB FLASH 44TQFP
安富利:
MCU 8-Bit PIC16 PIC RISC 14KB Flash 3.3V 44-Pin TQFP Tray



| 型号/品牌 | 代替类型 | 替代型号对比 |
|---|---|---|
PIC16LF1717-I/PT Microchip 微芯 | 当前型号 | 当前型号 |
PIC16LF1717T-I/PT 微芯 | 完全替代 | PIC16LF1717-I/PT和PIC16LF1717T-I/PT的区别 |