













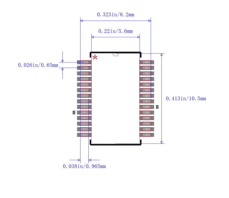
PIC24FJxxGA002/004 16 位闪存微控制器### PIC24 微控制器
PIC24FJxxGA002/004 16 位闪存
### PIC24 微控制器
立创商城:
PIC 32MHz 闪存:16K@x24bit
得捷:
IC MCU 16BIT 48KB FLASH 28SSOP
欧时:
Microchip PIC24FJ 系列 MCU 16 bit PIC PIC24FJ48GA002-I/SS, 32MHz, 48 kB ROM 闪存, 8 kB RAM, SSOP-28
贸泽:
16-bit Microcontrollers - MCU 48KB Flash 8192bytes RAM 21 I/O
艾睿:
MCU 16-bit PIC24F PIC RISC 48KB Flash 2.5V/3.3V 28-Pin SSOP Tube
Allied Electronics:
16-Bit 16 MIPS, 28-Pin, 48KB Flash, 8192 Bytes RAM, 21 I/O, nanoWatt
安富利:
MCU 16-bit PIC24 PIC RISC 48KB Flash 2.5V/3.3V 28-Pin SSOP Tube
Verical:
MCU 16-bit PIC RISC 48KB Flash 2.5V/3.3V 28-Pin SSOP Tube
Online Components:
MCU 16-bit PIC24F PIC RISC 48KB Flash 2.5V/3.3V 28-Pin SSOP Tube
DeviceMart:
IC MCU 16BIT 48KB FLASH 28SSOP



| 型号/品牌 | 代替类型 | 替代型号对比 |
|---|---|---|
PIC24FJ48GA002-I/SS Microchip 微芯 | 当前型号 | 当前型号 |
PIC24FJ48GA002T-I/SS 微芯 | 类似代替 | PIC24FJ48GA002-I/SS和PIC24FJ48GA002T-I/SS的区别 |