







16Bit Microcontrollers - MCU 16Bit MCU 32KB Flash 4KB RAM 60MHz 28Pin
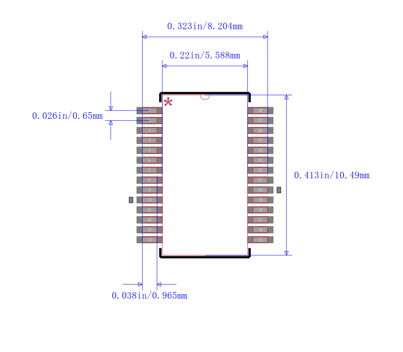
PIC Automotive, AEC-Q100, PIC® 24EP Microcontroller IC 16-Bit 60 MIPs 32KB 10.7K x 24 FLASH 28-SSOP
立创商城:
PIC24EP32GP202-E/SS
得捷:
IC MCU 16BIT 32KB FLASH 28SSOP
贸泽:
16-bit Microcontrollers - MCU 16Bit MCU 32KB Flash 4KB RAM 60MHz 28pin
艾睿:
MCU 16-bit PIC RISC 32KB Flash 3.3V Automotive 28-Pin SSOP Tube
Allied Electronics:
16 Bit MCU, 32KB Flash, 4KB RAM, 60 MHz, 28 pin, OpAmps, Comparators, PTG


