









8位CMOS微控制器与A / D转换器和捕捉/比较/ PWM 8-Bit CMOS Microcontrollers with A/D Converter and Capture/Compare/PWM
PIC PIC® 16C Microcontroller IC 8-Bit 20MHz 3.5KB 2K x 14 OTP 18-SOIC
得捷:
IC MCU 8BIT 3.5KB OTP 18SOIC
立创商城:
PIC 20MHz 闪存:2K@x14bit
贸泽:
8位微控制器 -MCU 3.5KB 128 RAM 13 I/O
艾睿:
MCU 8-bit PIC16 PIC RISC 3.5KB EPROM 5V 18-Pin SOIC W Tube
安富利:
MCU 8-bit PIC16 PIC RISC 3.5KB EPROM 5V 18-Pin SOIC W Tube
DeviceMart:
IC MCU OTP 2KX14 A/D PWM 18SOIC
电源电压DC 5.00 V, 5.50 V max
时钟频率 20.0MHz max
RAM大小 128 x 8
耗散功率 1000 mW
I/O引脚数 13
存取时间 20.0 µs
内核架构 PIC
内核子架构 PIC16
模数转换数ADC 1
工作温度Max 85 ℃
工作温度Min -40 ℃
耗散功率Max 1000 mW
安装方式 Surface Mount
引脚数 18
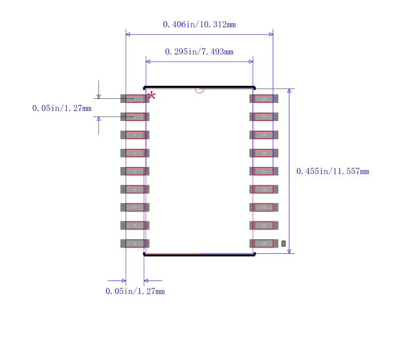
封装 SOIC-18
长度 11.53 mm
宽度 7.49 mm
高度 2.31 mm
封装 SOIC-18
工作温度 -40℃ ~ 85℃ TA
产品生命周期 Unknown
包装方式 Tube
RoHS标准 RoHS Compliant
含铅标准 Lead Free



| 型号/品牌 | 代替类型 | 替代型号对比 |
|---|---|---|
PIC16C716-20I/SO Microchip 微芯 | 当前型号 | 当前型号 |
PIC16C716T-20I/SO 微芯 | 完全替代 | PIC16C716-20I/SO和PIC16C716T-20I/SO的区别 |
PIC16F716-I/SO 微芯 | 类似代替 | PIC16C716-20I/SO和PIC16F716-I/SO的区别 |
PIC16C716T-20E/SO 微芯 | 类似代替 | PIC16C716-20I/SO和PIC16C716T-20E/SO的区别 |