










EPROM /基于ROM的8位CMOS微控制器系列 EPROM/ROM-Based 8-Bit CMOS Microcontroller Series
PIC PIC® 16C Microcontroller IC 8-Bit 2MHz 768B 512 x 12 OTP 18-SOIC
立创商城:
PIC16LV54A-02/SO
得捷:
IC MCU 8BIT 768B OTP 18SOIC
贸泽:
8位微控制器 -MCU .75KB 25 RAM 12 I/O 2MHz SOIC18
艾睿:
MCU 8-bit PIC16 PIC RISC 512B EPROM 5V Automotive 18-Pin SOIC W Tube
安富利:
MCU 8-bit PIC16 PIC RISC 512byte EPROM 5V 18-Pin SOIC W Tube
Chip1Stop:
MCU 8-bit PIC16 PIC RISC 512B EPROM 5V Automotive 18-Pin SOIC W Tube
儒卓力:
**PIC16LV 0,75K SOIC18 85°C **
电源电压DC 3.30 V, 3.80 V max
时钟频率 2.00MHz max
RAM大小 25 x 8
位数 8
耗散功率 800 mW
FLASH内存容量 0.75 KB
I/O引脚数 12
存取时间 2.00 µs
内核架构 PIC
内核子架构 PIC16
工作温度Max 70 ℃
工作温度Min 0 ℃
耗散功率Max 800 mW
电源电压Max 5.5 V
电源电压Min 4.5 V
安装方式 Surface Mount
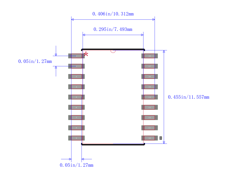
引脚数 18
封装 SOIC-18
长度 11.55 mm
宽度 7.5 mm
高度 2.05 mm
封装 SOIC-18
工作温度 0℃ ~ 70℃
产品生命周期 Unknown
包装方式 Tube
RoHS标准 RoHS Compliant
含铅标准 Lead Free
ECCN代码 3A991.a.2



| 型号/品牌 | 代替类型 | 替代型号对比 |
|---|---|---|
PIC16LV54A-02/SO Microchip 微芯 | 当前型号 | 当前型号 |
PIC16F54-I/SO 微芯 | 类似代替 | PIC16LV54A-02/SO和PIC16F54-I/SO的区别 |
PIC16LV54A-02I/SO 微芯 | 类似代替 | PIC16LV54A-02/SO和PIC16LV54A-02I/SO的区别 |
PIC16LV54AT-02I/SO 微芯 | 类似代替 | PIC16LV54A-02/SO和PIC16LV54AT-02I/SO的区别 |