











PIC 48MHz 闪存:32K@x16bit
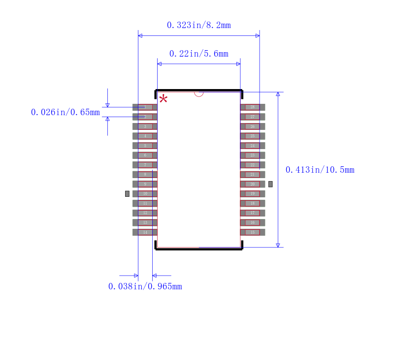
PIC series IC 8 位 48MHz 64KB(32K x 16) 闪存 28-SSOP
立创商城:
PIC 48MHz 闪存:32K@x16bit
得捷:
IC MCU 8BIT 64KB FLASH 28SSOP
艾睿:
MCU 8-bit PIC18 PIC RISC 64KB Flash 2.5V/3.3V 28-Pin SSOP T/R
Allied Electronics:
Full Speed USB, 64KB Flash, 4KB RAM, 12MIPS
安富利:
MCU 8-bit PIC18 PIC RISC 64KB Flash 2.5V/3.3V 28-Pin SSOP T/R



| 型号/品牌 | 代替类型 | 替代型号对比 |
|---|---|---|
PIC18LF26J50T-I/SS Microchip 微芯 | 当前型号 | 当前型号 |
PIC18LF26J50-I/SS 微芯 | 类似代替 | PIC18LF26J50T-I/SS和PIC18LF26J50-I/SS的区别 |