











PIC16 系列 224 B RAM 3.5 kB 闪存 8位 CMOS 微控制器 - SSOP-20
Peripheral Features:
• 16 I/O pins with individual direction control
• High current sink/source for direct LED drive
• Analog comparator module with:
\- Two analog comparators
\- Programmable on-chip voltage reference VREF module
\- Programmable input multiplexing from device inputs and internal voltage reference
\- Comparator outputs are externally accessible
• Timer0: 8-bit timer/counter with 8-bit programmable prescaler
• Timer1: 16-bit timer/counter with external crystal/clock capability
• Timer2: 8-bit timer/counter with 8-bit period register, prescaler and postscaler
• Capture, Compare, PWM CCP module
\- Capture is 16-bit, max. resolution is 12.5 ns
\- Compare is 16-bit, max. resolution is 200 ns
\- PWM max. resolution is 10-bit
• Universal Synchronous/Asynchronous Receiver/Transmitter USART/SCI
• 16 Bytes of common RAM Special Microcontroller Features:
• Power-on Reset POR
• Power-up Timer PWRT and Oscillator Start-up Timer OST
• Brown-out Detect BOD
• Watchdog Timer WDT with its own on-chip RC oscillator for reliable operation
• Multiplexed MCLR-pin
• Programmable weak pull-ups on PORTB
• Programmable code protection
• Low voltage programming
• Power saving SLEEP mode
• Selectable oscillator options
\- FLASH configuration bits for oscillator options
\- ER External Resistor oscillator
• Reduced part count
\- Dual speed INTRC
• Lower current consumption
\- EC External Clock input
\- XT Oscillator mode
\- HS Oscillator mode
\- LP Oscillator mode
• In-circuit Serial Programming™ via two pins
• Four user programmable ID locations CMOS Technology:
• Low power, high speed CMOS FLASH technology
• Fully static design
• Wide operating voltage range
\- PIC16F627 - 3.0V to 5.5V
\- PIC16F628 - 3.0V to 5.5V
\- PIC16LF627 - 2.0V to 5.5V
\- PIC16LF628 - 2.0V to 5.5V
• Commercial, industrial and extended temperature range
• Low power consumption
\- < 2.0 mA @ 5.0V, 4.0 MHz
\- 15µA typical @ 3.0V, 32 kHz
\- < 1.0µA typical standby current @ 3.0V
电源电压DC 5.00 V, 5.50 V max
时钟频率 4.00MHz max
RAM大小 224 B
耗散功率 800 mW
I/O引脚数 16
存取时间 4.00 µs
内核架构 PIC
内核子架构 PIC16
工作温度Max 125 ℃
工作温度Min -40 ℃
耗散功率Max 800 mW
电源电压 3V ~ 5.5V
电源电压Max 5.5 V
电源电压Min 3 V
安装方式 Surface Mount
引脚数 20
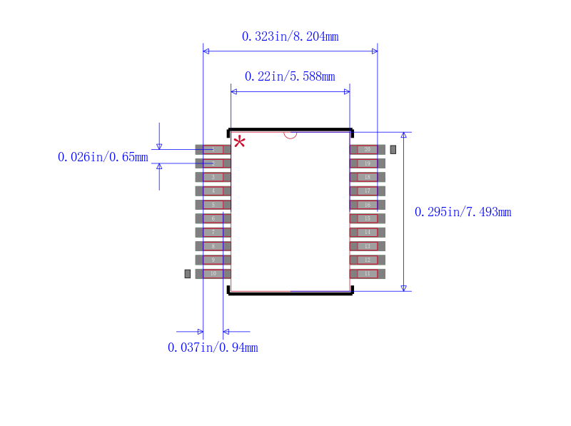
封装 SSOP-20
长度 7.2 mm
宽度 5.3 mm
高度 1.75 mm
封装 SSOP-20
工作温度 -40℃ ~ 125℃
产品生命周期 Unknown
包装方式 Tube
RoHS标准 RoHS Compliant
含铅标准 Lead Free
ECCN代码 EAR99



| 型号/品牌 | 代替类型 | 替代型号对比 |
|---|---|---|
PIC16F628-04E/SS Microchip 微芯 | 当前型号 | 当前型号 |
PIC16F628-04I/SS 微芯 | 类似代替 | PIC16F628-04E/SS和PIC16F628-04I/SS的区别 |
PIC16F628-04/SS 微芯 | 类似代替 | PIC16F628-04E/SS和PIC16F628-04/SS的区别 |
PIC16F628A-E/SS 微芯 | 类似代替 | PIC16F628-04E/SS和PIC16F628A-E/SS的区别 |