








双路双向总线缓冲器 DUAL BIDIRECTIONAL BUS BUFFER
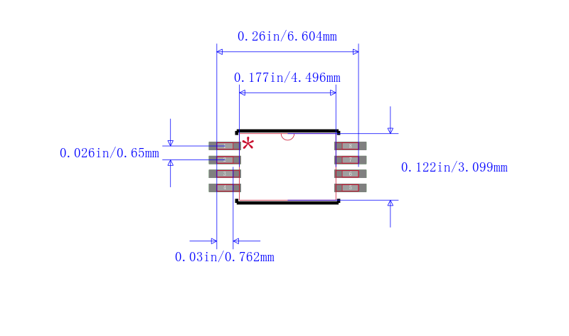
,转接驱动器 2 通道 400kHz 8-TSSOP
得捷:
IC REDRIVER I2C 1CH 8TSSOP
立创商城:
P82B96PWG4
贸泽:
Buffers & Line Drivers Dual Bidirectional Bus Buffer
艾睿:
I²C Logic Buffer 2.5V/3.3V/5V/9V/12V 8-Pin TSSOP Tube
Verical:
I²C Logic Buffer 2.5V/3.3V/5V/9V/12V 8-Pin TSSOP Tube
德州仪器TI:
2-bit bidirectional 2- to 15-V 400-kHz I2C/SMBus buffer/cable extender



| 型号/品牌 | 代替类型 | 替代型号对比 |
|---|---|---|
P82B96PWG4 TI 德州仪器 | 当前型号 | 当前型号 |
P82B96DGKR 德州仪器 | 完全替代 | P82B96PWG4和P82B96DGKR的区别 |
P82B96PW 德州仪器 | 完全替代 | P82B96PWG4和P82B96PW的区别 |
P82B96PWR 德州仪器 | 完全替代 | P82B96PWG4和P82B96PWR的区别 |