





超低欧姆电阻的电流检测 Ultra low ohmic resistors for current detection
10 mOhms ±1% 0.25W, 1/4W Chip Resistor 0603 1608 Metric Automotive AEC-Q200, Current Sense Thick Film
得捷:
RES 0.01 OHM 1% 1/4W 0603
立创商城:
10mΩ ±1% 250mW
e络盟:
电流感应电阻器, 表面安装, 0.01 ohm, PMR Series, 0603 [1608公制], 250 mW, ± 1%, 厚膜
艾睿:
Res 0603 0.01 Ohm 1% 0.25W1/4W 0ppm/°C to 150ppm/°C Pad SMD Automotive T/R
Chip1Stop:
Ultra low ohmic Metal plate / High power type Shunt
Verical:
Res 0603 0.01 Ohm 1% 0.25W1/4W 0ppm/C to 150ppm/C Pad SMD Automotive T/R
容差 ±1 %
额定功率 0.25 W
产品系列 PMR
电阻 0.01 Ω
阻值偏差 ±1 %
工作温度Max 155 ℃
工作温度Min -55 ℃
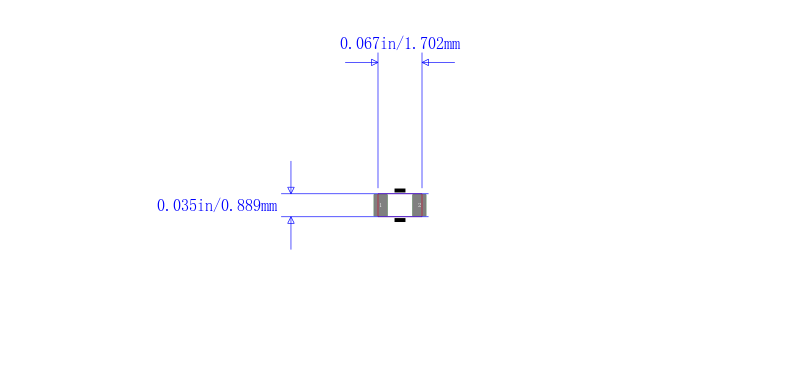
封装公制 1608
封装 0603
长度 1.6 mm
宽度 0.8 mm
高度 0.25 mm
封装公制 1608
封装 0603
工作温度 -55℃ ~ 155℃
温度系数 0ppm/℃ ~ 150ppm/℃
产品生命周期 Active
包装方式 Tape & Reel TR
最小包装 5000
RoHS标准 RoHS Compliant
含铅标准 Lead Free
REACH SVHC版本 2016/06/20


