




















PIC16F73/74/76/77 8 位闪存微控制器Microchip 的 PIC16F 系列微控制器 8 位 MCU,将 Microchip 的 PIC® 体系架构融入到引脚和封装选件中,从节省空间的 14 引脚设备到功能丰富的 64 引脚设备。 带有基线、中级或增强型中级体系架构的设备提供多种不同的外围设备组合,可谓设计人员提供灵活性,并为应用提供选择。 PIC16F73/74/76/77 系列微控制器基于 Microchip 的中级内核,带 8 层深硬件堆栈和 35 个指令。 这些 MCU 提供高达 5 个 MIP、14 千字节程序存储器和 368 字节 RAM。### 微控制器功能最大 20 MHz CPU 速度 35 指令 8 级硬件堆栈 22 个输入/输出引脚 – PIC16F73/76 型号 33 个输入/输出引脚 – PIC16F74/77 型号 通电重置 POR 通电计时器 PWRT 振荡器启动计时器 OST 掉电重置 BOR 监控器计时器 WDT 在线串行编程 ICSP 在线调试 ICD ### 外设8 位模拟到数字转换器 ADC - PIC16F73/76 5 通道、PIC16F74/77 8 通道 两个捕获、比较、PWM CCP 模块 两个 8 位计时器 一个 16 位计时器 同步串行端口 SSP,带有 SPI 和 I2C 通用同步异步接收器发射器 USART ### PIC16 微控制器
PIC16F73/74/76/77 8 位闪存
的 PIC16F 系列微控制器 8 位 MCU,将 Microchip 的 PIC® 体系架构融入到引脚和封装选件中,从节省空间的 14 引脚设备到功能丰富的 64 引脚设备。 带有基线、中级或增强型中级体系架构的设备提供多种不同的外围设备组合,可谓设计人员提供灵活性,并为应用提供选择。
PIC16F73/74/76/77 系列微控制器基于 Microchip 的中级内核,带 8 层深硬件堆栈和 35 个指令。 这些 MCU 提供高达 5 个 MIP、14 千字节程序存储器和 368 字节 RAM。
### 微控制器功能
最大 20 MHz CPU 速度
35 指令
8 级硬件堆栈
22 个输入/输出引脚 – PIC16F73/76 型号
33 个输入/输出引脚 – PIC16F74/77 型号
通电重置 POR
通电计时器 PWRT
振荡器启动计时器 OST
掉电重置 BOR
监控器计时器 WDT
在线串行编程 ICSP
在线调试 ICD
### 外设
8 位模拟到数字转换器 ADC - PIC16F73/76 5 通道、PIC16F74/77 8 通道
两个捕获、比较、PWM CCP 模块
两个 8 位计时器
一个 16 位计时器
同步串行端口 SSP,带有 SPI 和 I2C
通用同步异步接收器发射器 USART
频率 20 MHz
电源电压DC 5.00 V, 5.50 V max
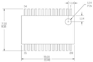
针脚数 28
时钟频率 20.0 MHz
RAM大小 192 B
位数 8
耗散功率 1000 mW
FLASH内存容量 7 KB
I/O引脚数 22
存取时间 20.0 µs
内核架构 PIC
内存容量 4000 B
内核子架构 PIC16
模数转换数ADC 1
输入/输出数 22 Input
工作温度Max 85 ℃
工作温度Min -40 ℃
耗散功率Max 1000 mW
电源电压 4V ~ 5.5V
电源电压Max 5.5 V
电源电压Min 4 V
安装方式 Surface Mount
引脚数 28
封装 SSOP-28
长度 10.34 mm
宽度 5.38 mm
高度 1.83 mm
封装 SSOP-28
工作温度 -40℃ ~ 85℃
产品生命周期 Active
包装方式 Tube
制造应用 Lighting, 工业, 照明, 车用, 医用, 安全, Industrial, Security, Motor Drive & Control, Automotive, 电机驱动与控制, 消费电子产品, Consumer Electronics, Medical
RoHS标准 RoHS Compliant
含铅标准 Lead Free
REACH SVHC标准 No SVHC
REACH SVHC版本 2015/12/17
ECCN代码 EAR99
HTS代码 8542310001
香港进出口证 NLR



| 型号/品牌 | 代替类型 | 替代型号对比 |
|---|---|---|
PIC16F73-I/SS Microchip 微芯 | 当前型号 | 当前型号 |
PIC16F73-I/SP 微芯 | 类似代替 | PIC16F73-I/SS和PIC16F73-I/SP的区别 |
PIC16F76-I/SS 微芯 | 类似代替 | PIC16F73-I/SS和PIC16F76-I/SS的区别 |
PIC16F73T-I/SO 微芯 | 类似代替 | PIC16F73-I/SS和PIC16F73T-I/SO的区别 |