













XP POWER RDC3072S3V3 直流/直流转换器 隔离式板载, 铁路用, DIP, 可调, 通孔安装, 30 W, 3.3 V, 7.5 A
- RDC30 系列直流-直流转换器
XP Power RDC30 系列提供高度可靠的单路、双路和三路输出、30 W 直流-直流转换器系列。 该系列设计具有 72 V 直流和 110 V 直流输入,用于铁路应用,且具有 1500 V 交流基本隔离。
30 W
1500 V 交流基本隔离
单路、双路和三路输出
72 V 直流和 110 V 直流,用于导轨应用
远程开/关
EN50121-3-2 EMC,用于铁路应用
3 年保修
得捷:
DC DC CONVERTER 3.3V 30W
欧时:
DC/DC Converter Isolated 3.3V 24.75W
e络盟:
直流/直流转换器 隔离式板载, 铁路获准, 1输出, 30 W, 3.3 V, 7.5 A
Allied Electronics:
Power Supply; DC-DC CONV, RAILWAY, 30W, 1 O/P
Verical:
Module DC-DC 72VIN 1-OUT 3.3V 7.5A 30W 6-Pin
Newark:
# XP POWER RDC3072S3V3 Isolated Board Mount DC/DC Converter, Rail Approvals, Adjustable, 1 Output, 36 V, 140 V, 30 W
额定功率 30 W
输出接口数 1
输出电压 3.3 VDC
输出电流 7.5 A
输出功率 30 W
隔离电压 1.5 kV
输入电压Max 140 V
输入电压Min 36 V
输入电压DC Max 140 V
输入电压DC Min 36 v
输出电流Max 7.5 A
输入电流Min 25mANo Load, 386mAFull Load
输出功率Max 30 W
工作温度Max 75 ℃
工作温度Min -40 ℃
输入电压 36VDC ~ 140VDC
安装方式 Through Hole
引脚数 6
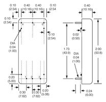
封装 DIP-7
长度 50.8 mm
宽度 25.4 mm
高度 10.16 mm
封装 DIP-7
重量 30 g
工作温度 -40℃ ~ 75℃
产品生命周期 Active
包装方式 Tube
制造应用 轨道, 车用, 信号处理, 工业
RoHS标准 RoHS Compliant
含铅标准 Lead Free
REACH SVHC标准 No SVHC