






Res Metal Film NET 10KΩ/10KΩ 0.05% 0.1W1/10W 25ppm/℃ Molded 4Pin 2.0 x 1.2mm Flat SMD T/R
10k 欧姆 ±0.1% 50mW 每元件功率 分压器 2 器网络,阵列 ±25ppm/°C 0805(2012 公制),长边端子
得捷:
RES NETWORK 2 RES 10K OHM 0805
贸泽:
Resistor Networks & Arrays 10K/10K 25V
艾睿:
Res Metal Film NET 10K Ohm/10K Ohm 0.1% 0.1W1/10W ±25ppm/°C BUS Molded 4-Pin 0805 Flat SMD Automotive T/R
Chip1Stop:
Res Metal Film NET 10K Ohm/10K Ohm 0.05% 0.1W1/10W 25ppm/ C Molded 4-Pin 2.0 x 1.2 mm Flat SMD T/R
Verical:
Res Metal Film NET 10K Ohm/10K Ohm 0.1% 0.1W1/10W ±25ppm/C BUS Molded 4-Pin 0805 Flat SMD Automotive T/R
触点数 4
额定功率 0.1 W
电阻 10 kΩ
阻值偏差 ±0.1 %
工作温度Max 155 ℃
工作温度Min -55 ℃
额定电压 25 V
安装方式 Surface Mount
引脚数 4
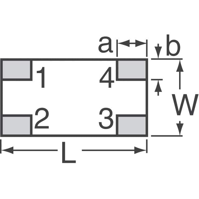
封装公制 2012
封装 0805
长度 2 mm
宽度 1.25 mm
高度 0.4 mm
封装公制 2012
封装 0805
工作温度 -55℃ ~ 155℃
温度系数 ±25 ppm/℃
产品生命周期 Active
包装方式 Tape & Reel TR
制造应用 汽车级 AEC-Q200, 汽车级AEC-Q200
RoHS标准 RoHS Compliant
含铅标准 Lead Free


