





RL78/G14,16 位微控制器,44 至 64 引脚封装,Renesas ElectronicsRL78 是 Renesas Electronics 下一代微控制器系列,结合了 78K 和 R8C 系列的高级功能,以实现低功耗 66μA / MHz 和高性能 41DMIPS @ 32MHz。 RL78 基于具有丰富模拟功能的 16 位 CISC 体系结构。 平台系列产品将包括通用设备、LCD 和 ASSP,其中包括照明和汽车微控制器。 RL78 专门为超低功率应用而设计,使客户能够以低成本构建紧凑型和高能效系统。 除了高精度 ±1% 芯片振荡器促成 32MHz CPU 操作,以及 RL78/G13 的其他标准芯片功能,RL78/G14 微控制器拥有乘、除和倍乘积累指令,比 RL78/G13 的处理速度更快,并且 R8C 系列的功能,具有经验证的记录,例如计时器 RD/RG/RJ、数据传输控制器,以及事件链接控制器,有助于降低建立一个系统的总成本,尺寸更加紧凑,功率消耗更低。### RL78 系列微控制器,Renesas Electronics
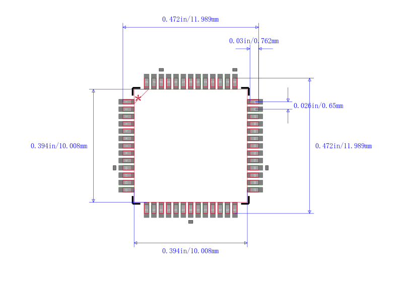
RL78/G14,16 位控制器,64kB/96kB 闪存,
RL78 是 Renesas Electronics 下一代系列,结合了 78K 和 R8C 系列的高级功能,以实现低功耗 66μA / MHz 和高性能 41DMIPS @ 32MHz。
RL78 基于具有丰富模拟功能的 16 位 CISC 体系结构。 平台系列产品将包括通用设备、LCD 和 ASSP,其中包括照明和汽车微控制器。
RL78 专门为超低功率应用而设计,使客户能够以低成本构建紧凑型和高能效系统。
除了高精度 ±1% 芯片振荡器促成 32MHz CPU 操作,以及 RL78/G13 的其他标准芯片功能,RL78/G14 微控制器拥有乘、除和倍乘积累指令,比 RL78/G13 的处理速度更快,并且 R8C 系列的功能,具有经验证的记录,例如计时器 RD/RG/RJ、数据传输控制器,以及事件链接控制器,有助于降低建立一个系统的总成本,尺寸更加紧凑,功率消耗更低。
### RL78 系列微控制器,Renesas Electronics


