

RM48Lx50 16位/ 32位RISC闪存微控制器 RM48Lx50 16/32-Bit RISC Flash Microcontroller
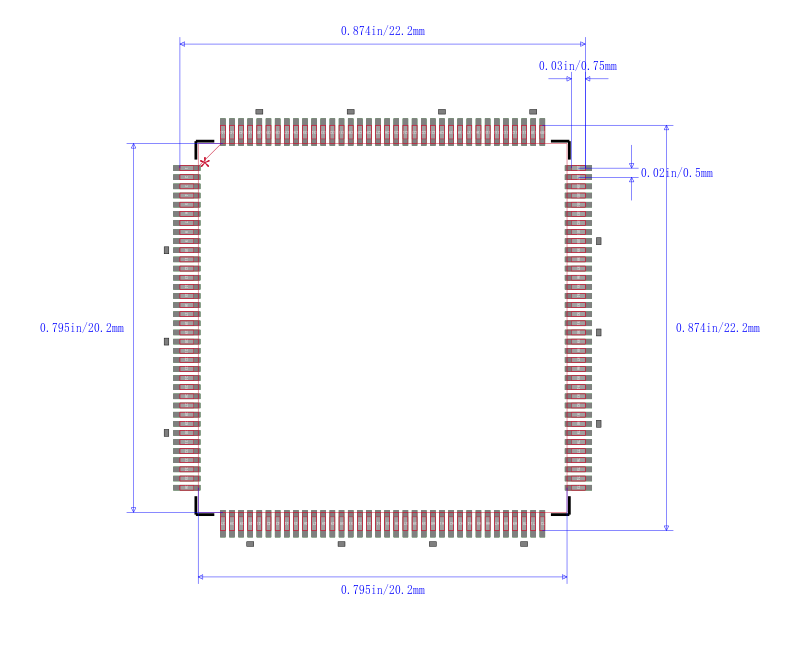
ARM® Cortex®-R4F series IC 16/32-位 200MHz 3MB(3M x 8) 闪存 144-LQFP(20x20)
得捷:
IC MCU 16/32BIT 3MB FLSH 144LQFP
贸泽:
ARM Microcontrollers - MCU 16/32-Bit RISC Flash MCU
艾睿:
MCU 16-bit/32-bit ARM Cortex R4F RISC 3MB Flash 1.2V/3.3V 144-Pin LQFP Tray
安富利:
MCU 16-bit/32-bit RM48Lx50 ARM Cortex R4F RISC 3072KB Flash 1.2V/3.3V 144-Pin LQFP Tray



| 型号/品牌 | 代替类型 | 替代型号对比 |
|---|---|---|
RM48L950PGET TI 德州仪器 | 当前型号 | 当前型号 |
RM48L952PGET 德州仪器 | 类似代替 | RM48L950PGET和RM48L952PGET的区别 |
XRM48L950PGET 德州仪器 | 类似代替 | RM48L950PGET和XRM48L950PGET的区别 |