





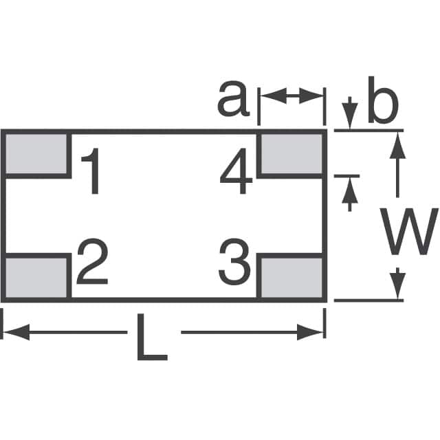
Res Metal Film NET 10KΩ/20KΩ 0.05% 0.125W1/8W ±25ppm/℃ Molded 4Pin 1206 Flat SMD T/R
10k,20k 欧姆 ±0.1% 83mW 每元件功率 分压器 2 器网络,阵列 ±25ppm/°C 1206(3216 公制),长边端子
立创商城:
20kΩ 10kΩ ±0.1%
得捷:
RES NETWORK 2 RES MULT OHM 1206
Chip1Stop:
Res Metal Film NET 10K Ohm/20K Ohm 0.05% 0.125W ±25ppm/℃ Molded 4-Pin 1206 Flat SMD T/R