







LITTELFUSE SMCJ28CA 二极管, TVS, 1.5KW, 28V, DO-214AB
45.4V 夹子 33.1A Ipp TVS - 表面贴装型 DO-214AB(SMCJ)
得捷:
TVS DIODE 28VWM 45.4VC DO214AB
立创商城:
SMCJ28CA
e络盟:
TVS二极管, SMCJ Series, 双向, 28 V, 45.4 V, DO-214AB, 2 引脚
艾睿:
Diode TVS Single Bi-Dir 28V 1.5KW 2-Pin DO-214AB T/R
富昌:
SMCJ系列 45.4V 1.5kW 表面贴装 双向 瞬态电压抑制二极管 DO-214AB
Chip1Stop:
Diode TVS Single Bi-Dir 28V 1.5KW 2-Pin DO-214AB T/R
TME:
Diode: transil; 1.5kW; 32.75V; 33.1A; bidirectional; ±5%; DO214AB
Verical:
Diode TVS Single Bi-Dir 28V 1.5KW 2-Pin DO-214AB T/R
Newark:
# LITTELFUSE SMCJ28CA TVS Diode, SMCJ Series, Bidirectional, 28 V, 45.4 V, DO-214AB, 2 Pins
Win Source:
TVS DIODE 28VWM 45.4VC SMC
额定电压DC 28.0 V
额定功率 1.50 kW
击穿电压 32.75 V
针脚数 2
耗散功率 1.5 kW
钳位电压 45.4 V
测试电流 1 mA
最大反向击穿电压 34.4 V
脉冲峰值功率 1500 W
最小反向击穿电压 31.1 V
击穿电压 31.1 V
工作温度Max 150 ℃
工作温度Min -65 ℃
工作结温 -65℃ ~ 150℃
安装方式 Surface Mount
引脚数 2
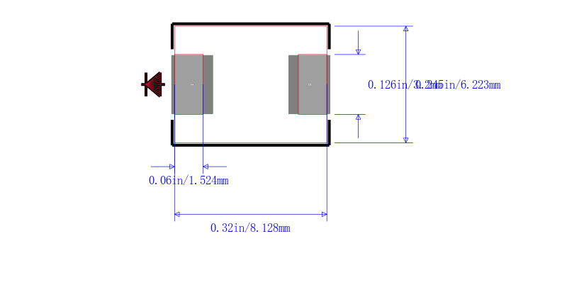
封装 DO-214AB
长度 8.13 mm
宽度 6.22 mm
高度 2.62 mm
封装 DO-214AB
工作温度 -55℃ ~ 150℃ TJ
产品生命周期 Active
包装方式 Tape & Reel TR
制造应用 通用, Safety, 安全
RoHS标准 RoHS Compliant
含铅标准 Lead Free
REACH SVHC版本 2016/06/20


| 型号/品牌 | 代替类型 | 替代型号对比 |
|---|---|---|
SMCJ28CA Littelfuse 力特 | 当前型号 | 当前型号 |
SMCJ28CA-TR 意法半导体 | 类似代替 | SMCJ28CA和SMCJ28CA-TR的区别 |
SMCJ28CA-13-F 美台 | 功能相似 | SMCJ28CA和SMCJ28CA-13-F的区别 |