






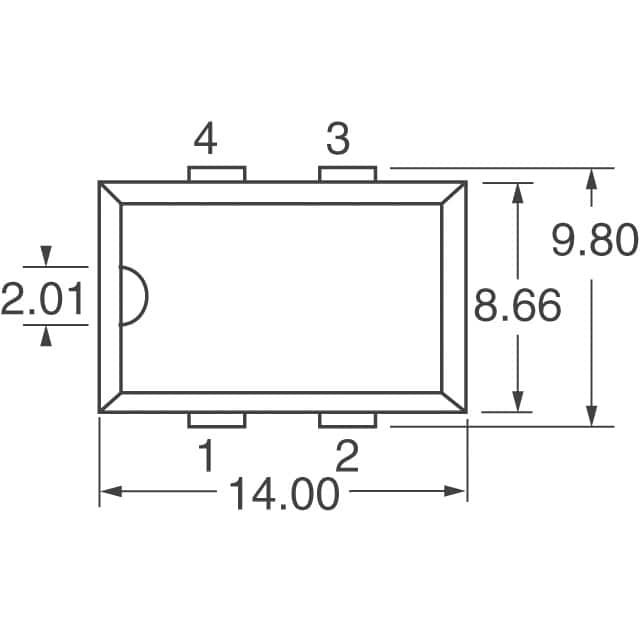
OSCILLATOR 25.175MHz SMD
25.175 MHz CMOS,TTL XO(标准) 5V 启用/禁用 4-SOJ,5.08mm 间距
得捷:
XTAL OSC XO 25.1750MHZ CMOS TTL
| 型号/品牌 | 代替类型 | 替代型号对比 |
|---|---|---|
SG-615P 25.1750MC0 Epson Electronics 爱普生 | 当前型号 | 当前型号 |
SG-615P 25.1750MC0:ROHS 爱普生 | 完全替代 | SG-615P 25.1750MC0和SG-615P 25.1750MC0:ROHS的区别 |