















八路缓冲器并用3态输出线路驱动器 OCTAL BUFFERS AND LINE DRIVERS WITH 3-STATE OUTPUTS
缓冲器,反向 元件 4 位每元件 三态 Output 20-SO
得捷:
IC BUFFER INVERT 5.25V 20SO
立创商城:
SN74LS240NSR
德州仪器TI:
8-ch, 4.75-V to 5.25-V bipolar inverters with 3-state outputs
艾睿:
Leading the input to the transmission line this SN74LS240NSR buffer and line driver by Texas Instruments will amplify digital and analog signals. With a 3-state output, this is power management at its best. This line driver has a minimum operating temperature of 0 °C and a maximum of 70 °C. This component will be shipped in tape and reel packaging for effective mounting and safe delivery. It has 8 channels per chip. This inverting device has a typical operating supply voltage of 5 V. Its minimum operating supply voltage of 4.75 V, while its maximum is 5.25 V.
安富利:
Buffer/Line Driver 8-CH Inverting 3-ST Bipolar 20-Pin SOP T/R
Chip1Stop:
Buffer/Line Driver 8-CH Inverting 3-ST Bipolar 20-Pin SOP T/R
Verical:
Buffer/Line Driver 8-CH Inverting 3-ST Bipolar 20-Pin SOP T/R
力源芯城:
八反相三态缓冲器/线驱动器
DeviceMart:
IC INVERTER DUAL 4-INPUT 20SOP
Win Source:
IC INVERTER DUAL 4-INPUT 20SO
电源电压DC 4.75V ~ 5.25V
输出接口数 8
电路数 2
通道数 8
位数 8
传送延迟时间 18.0 ns
电压波节 5.00 V
静态电流 26 mA
输出电流驱动 -625 µA
输入数 8
工作温度Max 70 ℃
工作温度Min 0 ℃
电源电压 4.75V ~ 5.25V
电源电压Max 5.25 V
电源电压Min 4.75 V
安装方式 Surface Mount
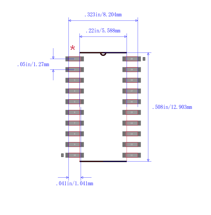
引脚数 20
封装 SOP-20
长度 12.6 mm
宽度 5.3 mm
高度 1.95 mm
封装 SOP-20
工作温度 0℃ ~ 70℃
产品生命周期 Active
包装方式 Tape & Reel TR
RoHS标准 RoHS Compliant
含铅标准 Lead Free



| 型号/品牌 | 代替类型 | 替代型号对比 |
|---|---|---|
SN74LS240NSR TI 德州仪器 | 当前型号 | 当前型号 |
SN74LS240DW 德州仪器 | 完全替代 | SN74LS240NSR和SN74LS240DW的区别 |
SN74LS240DWG4 德州仪器 | 完全替代 | SN74LS240NSR和SN74LS240DWG4的区别 |
SN74LS240NS 德州仪器 | 完全替代 | SN74LS240NSR和SN74LS240NS的区别 |