




















包含八个触发器具有单输出轨 Contains Eight Flip-Flops With Single-Rail Outputs
description
These monolithic, positive-edge-triggered flip flops utilize TTL circuitry to implement D-type flip-flop logic with a direct clear input.
Contains Eight Flip-Flops With Single-Rail Outputs
Buffered Clock and Direct Clear Inputs
Individual Data Input to Each Flip-Flop
Applications Include:
Buffer/Storage Registers
Shift Registers
Pattern Generators
得捷:
IC FF D-TYPE SNGL 8BIT 20SOIC
立创商城:
SN74LS273DWR
德州仪器TI:
Octal D-Type Flip-Flops With Clear
贸泽:
触发器 Octal D-Type Flip-Flop w/Clear
艾睿:
Store state information for later use by using the Texas Instruments SN74LS273DWR flip flop device. It has a single-ended output signal. This flip flop has a minimum operating temperature of 0 °C and a maximum of 70 °C. Tape and reel packaging will encase the product during shipment, ensuring safe delivery and enabling quick mounting of components. It has 8 channels per chip. This non-inverting device has a typical operating supply voltage of 5 V. Its minimum operating supply voltage of 4.75 V, while its maximum is 5.25 V.
安富利:
Flip Flop D-Type Bus Interface Pos-Edge 1-Element 20-Pin SOIC T/R
Chip1Stop:
Flip Flop D-Type Bus Interface Pos-Edge 1-Element 20-Pin SOIC T/R
Verical:
Flip Flop D-Type Bus Interface Pos-Edge 1-Element 20-Pin SOIC T/R
Newark:
# TEXAS INSTRUMENTS SN74LS273DWR Flip-Flop, Non Inverted, Positive Edge, 74LS273, D, 17 ns, 40 MHz, 8 mA, SOIC
DeviceMart:
IC OCTAL F/F W/CLEAR 20-SOIC
Win Source:
IC D-TYPE POS TRG SNGL 20SOIC
频率 40 MHz
电源电压DC 4.75V ~ 5.25V
输出接口数 8
输出电流 8 mA
电路数 8
时钟频率 40 MHz
位数 8
传送延迟时间 27.0 ns
极性 Non-Inverting
电压波节 5.00 V
输出电流驱动 -50.0 µA
输入数 8
工作温度Max 70 ℃
工作温度Min 0 ℃
电源电压 4.75V ~ 5.25V
电源电压Max 5.25 V
电源电压Min 4.75 V
安装方式 Surface Mount
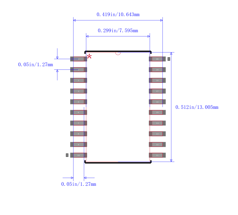
引脚数 20
封装 SOIC-20
长度 12.8 mm
宽度 7.52 mm
高度 2.35 mm
封装 SOIC-20
工作温度 0℃ ~ 70℃
产品生命周期 Active
包装方式 Tape & Reel TR
RoHS标准 RoHS Compliant
含铅标准 Lead Free
REACH SVHC版本 2015/06/15
ECCN代码 EAR99



| 型号/品牌 | 代替类型 | 替代型号对比 |
|---|---|---|
SN74LS273DWR TI 德州仪器 | 当前型号 | 当前型号 |
SN74LS273DW 德州仪器 | 类似代替 | SN74LS273DWR和SN74LS273DW的区别 |
SN74LS273DWG4 德州仪器 | 类似代替 | SN74LS273DWR和SN74LS273DWG4的区别 |
SN74LS273DWRG4 德州仪器 | 类似代替 | SN74LS273DWR和SN74LS273DWRG4的区别 |