









3.3 V双LVTTL差动LVPECL翻译 3.3 V Dual LVTTL to DIfferential LVPECL Translator
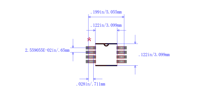
混合信号 转换器 单向 1 电路 2 通道 - 8-VSSOP
得捷:
IC TRANSLATOR UNIDIR 8VSSOP
立创商城:
SN65LVELT22DGK
德州仪器TI:
3.3-V dual LVTTL to differential LVPECL translator
艾睿:
Translator LVTTL to LVPECL 2-CH Unidirectional 8-Pin VSSOP Tube
安富利:
Translator LVTTL to LVPECL 8-Pin VSSOP Tube
Chip1Stop:
PECL PHY 3.3V Dual LVTTL to Differential LVPECL Translator Translator LVTTL to LVPECL 8-Pin VSSOP Tube
Verical:
Translator LVTTL to LVPECL 2-CH Unidirectional 8-Pin VSSOP Tube
Win Source:
XLATOR DUAL LVPECL 3.3V 8VSSOP
DeviceMart:
XLATOR DUAL LVPECL 3.3V 8-MSOP



| 型号/品牌 | 代替类型 | 替代型号对比 |
|---|---|---|
SN65LVELT22DGK TI 德州仪器 | 当前型号 | 当前型号 |
SN65LVELT22D 德州仪器 | 完全替代 | SN65LVELT22DGK和SN65LVELT22D的区别 |
SN65LVELT22DR 德州仪器 | 完全替代 | SN65LVELT22DGK和SN65LVELT22DR的区别 |
SN65LVELT22DGKR 德州仪器 | 完全替代 | SN65LVELT22DGK和SN65LVELT22DGKR的区别 |