


















MICROCHIP SST26WF016B-104I/SN 闪存, 或非, 16 Mbit, 104 MHz, SPI, SDI, SQI, SOIC, 8 引脚
SST26WF040B/080B/016B 串行四路输入/输出 SQI SuperFlash® 闪存
SST26WFxxxB 系列产品是串行四路输入/输出 SQI 闪存设备,提供 4、8 和 16 位型号。 这些设备支持与串行外围接口 SPI 协议的全命令集兼容型,并且实现最小延迟 Execute-in-Place XIP 功能,SRAM 上无需代码阴影。 SST26WFxxxB 设备具有低功耗,使其适用于便携式蓄电池供电的应用。
### 特点
工作电压范围 1.6 至 1.95V
最大时钟频率 104 MHz
串行接口体系结构
低功耗:有源读取电流:15 mA(104 MHz 时典型),待机电流:10 μA(典型)
脉冲串模式:连续线性脉冲串,8/16/32/64 字节线性脉冲串,带坏绕。
页面编程:每页 256 字节,采用 x1 或 x4 模式
快速擦除时间:扇形/块擦除 18 ms(典型)、25 ms(最大);芯片擦除 35 ms(典型)、50 ms(最大)
灵活的擦除能力
End-of-Write 检测
Write-Suspend
软件保护
软件重置 RST 模式
SFDP(串行闪存可发现参数)
电源电压DC 1.65V min
工作电压 1.65V ~ 1.95V
供电电流 20 mA
针脚数 8
时钟频率 104 MHz
内存容量 2000000 B
存取时间Max 8 ns
工作温度Max 85 ℃
工作温度Min -40 ℃
电源电压 1.65V ~ 1.95V
电源电压Max 1.95 V
电源电压Min 1.65 V
安装方式 Surface Mount
引脚数 8
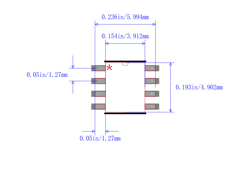
封装 SOIC-8
长度 4.9 mm
宽度 3.9 mm
高度 1.25 mm
封装 SOIC-8
工作温度 -40℃ ~ 85℃
产品生命周期 Unknown
包装方式 Tube
RoHS标准 RoHS Compliant
含铅标准 Lead Free
REACH SVHC标准 No SVHC
REACH SVHC版本 2015/12/17
ECCN代码 3A991.b.1.a



| 型号/品牌 | 代替类型 | 替代型号对比 |
|---|---|---|
SST26WF016B-104I/SN Microchip 微芯 | 当前型号 | 当前型号 |
SST26WF016BT-104I/SN 微芯 | 完全替代 | SST26WF016B-104I/SN和SST26WF016BT-104I/SN的区别 |