


















TEXAS INSTRUMENTS TMS320F2808PZA 芯片, 16位数字信号控制器
数字信号处理器 DSP,Texas Instruments
数字信号处理器是,带有一个优化的体系结构,用于数字信号处理的运算需求。
### 数字信号处理器,Texas Instruments
立创商城:
TMS320F2808PZA
得捷:
IC MCU 32BIT 128KB FLASH 100LQFP
欧时:
Texas Instruments TMS320F2808PZA 32bit DSP(数字信号处理器), 100MHz, 128 kB ROM 闪存, 36 kB RAM, 100引脚
德州仪器TI:
C2000™ 32-bit MCU with 100-MHz, 128-kb flash, 12 PWM
艾睿:
DSP Floating-Point 32bit 100MHz Automotive 100-Pin LQFP Tray
安富利:
DSP Fixed-Point 32-Bit 100MHz 100MIPS 100-Pin LQFP
Chip1Stop:
DSP Fixed-Point 32bit 100MHz 100MIPS 100-Pin LQFP
Verical:
DSP Floating-Point 32bit 100MHz Automotive 100-Pin LQFP Tray
Newark:
Digital Signal Controller, TMS320F28xx Series, 100 MHz, 128 KB, 35 I/O"s, ECAN, I2C, SCI, SPI
DeviceMart:
IC DSP W/FLASH 64KX16 100-LQFP
Win Source:
IC MCU 32BIT 128KB FLASH 100LQFP
频率 100 MHz
工作电压 1.71V ~ 1.89V
针脚数 100
时钟频率 100 MHz
RAM大小 18K x 16
FLASH内存容量 128 KB
I/O引脚数 35
UART数量 2
模数转换数ADC 1
输入/输出数 35 Input
工作温度Max 85 ℃
工作温度Min -40 ℃
电源电压Max 1.89 V
电源电压Min 1.71 V
安装方式 Surface Mount
引脚数 100
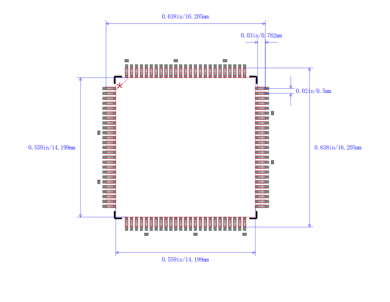
封装 LQFP-100
长度 14 mm
宽度 14 mm
高度 1.4 mm
封装 LQFP-100
工作温度 -40℃ ~ 85℃ TA
产品生命周期 Active
包装方式 Tray
制造应用 自动化与过程控制
RoHS标准 RoHS Compliant
含铅标准 Lead Free
REACH SVHC标准 No SVHC
ECCN代码 3A991.a.2



| 型号/品牌 | 代替类型 | 替代型号对比 |
|---|---|---|
TMS320F2808PZA TI 德州仪器 | 当前型号 | 当前型号 |
TMS320F2808PZS 德州仪器 | 类似代替 | TMS320F2808PZA和TMS320F2808PZS的区别 |
TMS320F2808PZQ 德州仪器 | 类似代替 | TMS320F2808PZA和TMS320F2808PZQ的区别 |
SM320F2808PZMEP 德州仪器 | 类似代替 | TMS320F2808PZA和SM320F2808PZMEP的区别 |