TLP126

TLP126图片1
TLP126图片2
TLP126中文资料参数规格
技术参数

输入电压DC 1.15 V

输出电压 ≤80.0 V

电路数 1

通道数 1

上升时间 8.00 µs

隔离电压 3750 Vrms

封装参数

安装方式 Surface Mount

封装 MFSOP-6

外形尺寸

封装 MFSOP-6

其他

产品生命周期 Not Recommended

符合标准

RoHS标准 Non-Compliant

含铅标准 Contains Lead

数据手册

TLP126引脚图与封装图
TLP126引脚图
TLP126封装图
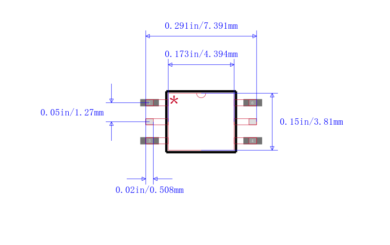
TLP126封装焊盘图
在线购买TLP126
型号: TLP126
制造商: Toshiba 东芝
描述:Optocoupler AC-IN 1CH Transistor DC-OUT 4Pin MFSOP
替代型号TLP126
型号/品牌 代替类型 替代型号对比

TLP126

Toshiba 东芝

当前型号

当前型号

MCT9001

安森美

功能相似

TLP126和MCT9001的区别

FODM2705R2

安森美

功能相似

TLP126和FODM2705R2的区别

MCT62

安森美

功能相似

TLP126和MCT62的区别

 锐单商城 - 一站式电子元器件采购平台  

 深圳锐单电子有限公司