










板上安装温度传感器 Dig w/I2C Serial Ifc Prg Therm/Alarm Func
温度 数字,本地 -55°C ~ 125°C 11 b SOT-23-6
得捷:
SENSOR DIGITAL -55C-125C SOT23-6
贸泽:
板上安装温度传感器 Dig w/I2C Serial Ifc Prg Therm/Alarm Func
艾睿:
Temp Sensor Digital Serial 2-Wire, I2C 6-Pin SOT-23 T/R
Chip1Stop:
Temp Sensor Digital Serial 2-Wire, I2C 6-Pin SOT-23 T/R
Verical:
Temp Sensor Digital Serial 2-Wire, I2C, SMBus 6-Pin SOT-23 T/R
Newark:
# TEXAS INSTRUMENTS TMP101NA/3KG4 Temperature Sensor IC, Digital, ± 0.5°C, SOT-23, 6 Pins
电源电压DC 2.70V min
供电电流 150 µA
位数 12
静态电流 45.0 µA
工作温度Max 125 ℃
工作温度Min -55 ℃
精度 ±1 ℃
电源电压 2.7V ~ 5.5V
电源电压Max 5.5 V
电源电压Min 2.7 V
安装方式 Surface Mount
引脚数 6
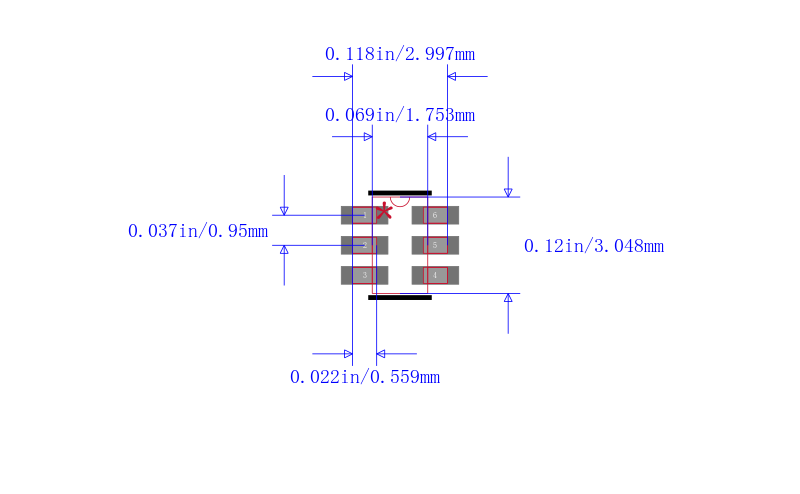
封装 SOT-23-6
封装 SOT-23-6
工作温度 -55℃ ~ 125℃
产品生命周期 Active
包装方式 Tape & Reel TR
RoHS标准 RoHS Compliant
含铅标准 Lead Free
REACH SVHC版本 2015/06/15
ECCN代码 EAR99



| 型号/品牌 | 代替类型 | 替代型号对比 |
|---|---|---|
TMP101NA/3KG4 TI 德州仪器 | 当前型号 | 当前型号 |
TMP101NA/250 德州仪器 | 完全替代 | TMP101NA/3KG4和TMP101NA/250的区别 |
TMP101NA/3K 德州仪器 | 类似代替 | TMP101NA/3KG4和TMP101NA/3K的区别 |
TMP101NA/250G4 德州仪器 | 类似代替 | TMP101NA/3KG4和TMP101NA/250G4的区别 |