








YAGEO PHYCOMP TC164-JR-0727RL 电阻阵列, ARC241 1206 27R
器网络与阵列
得捷:
RES ARRAY 4 RES 27 OHM 1206
立创商城:
27Ω ±5%
e络盟:
固定阵列电阻, 27 ohm, TC164 Series, 4 元件, 隔离, 1206 [3216公制], 8 引脚
艾睿:
Res Thick Film Array 27 Ohm 5% ±200ppm/°C ISOL Epoxy 8-Pin 12064 X 0603 Concave SMD Automotive T/R
Chip1Stop:
Res Thick Film Array 27 Ohm 5% 200ppm/ C ISOL Molded 8-Pin 12064 X 0603 Concave SMD Paper T/R
Newark:
# YAGEO PHYCOMP TC164-JR-0727RL RESISTOR ARRAY, ARC241 1206 27R
儒卓力:
**CN1206R4 27R 5% 0,063W CONCAVE **
触点数 8
额定电压DC 50.0 V
额定电压AC 50.0 V
容差 ±5 %
额定功率 0.063 W
电路数 4
针脚数 8
产品系列 TC
电阻 27 Ω
阻值偏差 ±5 %
工作温度Max 155 ℃
工作温度Min -55 ℃
额定电压 50 V
安装方式 Surface Mount
引脚数 8
封装公制 3216
封装 1206
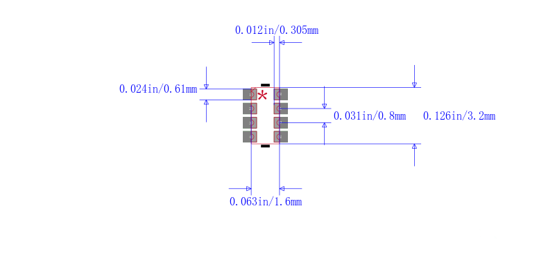
长度 3.2 mm
宽度 1.6 mm
高度 0.6 mm
封装公制 3216
封装 1206
工作温度 -55℃ ~ 155℃
温度系数 ±200 ppm/℃
产品生命周期 Active
包装方式 Tape & Reel TR
最小包装 5000
制造应用 消费电子产品, Power Management, 工业, 电源管理, Consumer Electronics, Portable Devices, Industrial, 便携式器材, DDRAM,SDRAM
RoHS标准 RoHS Compliant
含铅标准 Lead Free
REACH SVHC标准 No SVHC
REACH SVHC版本 2016/06/20
ECCN代码 EAR99



| 型号/品牌 | 代替类型 | 替代型号对比 |
|---|---|---|
TC164-JR-0727RL Yageo 国巨 | 当前型号 | 当前型号 |
CRB3A4E270JT 艾维克斯 | 完全替代 | TC164-JR-0727RL和CRB3A4E270JT的区别 |
CRC3A4E270JT 艾维克斯 | 完全替代 | TC164-JR-0727RL和CRC3A4E270JT的区别 |
CAT16-270J4LF 伯恩斯 | 功能相似 | TC164-JR-0727RL和CAT16-270J4LF的区别 |