






精密放大器 Quad Prec Micropwr
通用 放大器 4 电路 - 14-SO
得捷:
IC OPAMP GP 4 CIRCUIT 14SO
立创商城:
TLC27L9CNSR
德州仪器TI:
Quad Precision Single Supply Micropower Operational Amplifier
贸泽:
精密放大器 Quad Prec Micropwr
艾睿:
OP Amp Quad GP 16V 14-Pin SOP T/R
安富利:
OP Amp Quad GP 16V 14-Pin SOP T/R
Win Source:
IC OPAMP GP 110KHZ 14SO
供电电流 57 µA
电路数 4
通道数 4
耗散功率 1575 mW
共模抑制比 65 dB
输入补偿漂移 1.10 µV/K
带宽 85.0 kHz
转换速率 30.0 mV/μs
增益频宽积 110 kHz
输入补偿电压 210 µV
输入偏置电流 0.7 pA
工作温度Max 85 ℃
工作温度Min -40 ℃
电源电压Max 16 V
电源电压Min 3 V
安装方式 Surface Mount
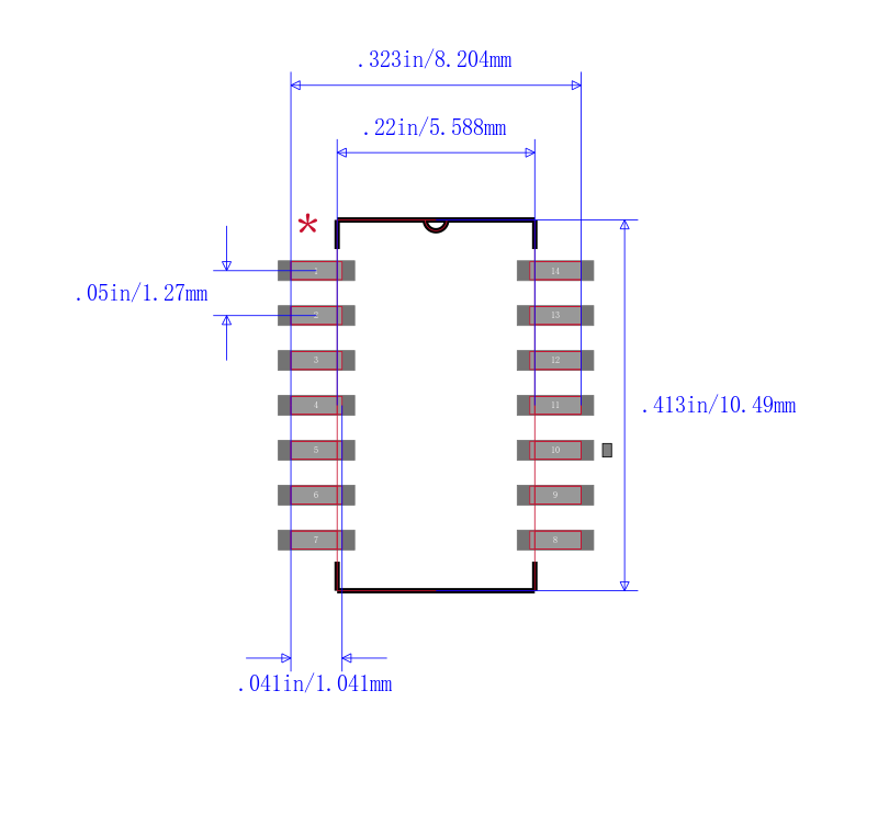
引脚数 14
封装 SOP-14
长度 10.3 mm
宽度 5.3 mm
高度 1.95 mm
封装 SOP-14
工作温度 0℃ ~ 70℃
产品生命周期 Active
包装方式 Tape & Reel TR
RoHS标准 RoHS Compliant
含铅标准 Lead Free


| 型号/品牌 | 代替类型 | 替代型号对比 |
|---|---|---|
TLC27L9CNSR TI 德州仪器 | 当前型号 | 当前型号 |
TLC27L9CNS 德州仪器 | 完全替代 | TLC27L9CNSR和TLC27L9CNS的区别 |
TLC27L9CNSG4 德州仪器 | 类似代替 | TLC27L9CNSR和TLC27L9CNSG4的区别 |