













JFET 输入运算放大器,TL070 和 TL080 系列Texas Instruments 普遍使用的高性能 JFET 输入、双极输出运算放大器,具有低输入偏置电流和高转换速率。 这些运算放大器具有低噪声和低失真,适合用于广泛的音频和信号处理应用。 高输入阻抗使其成为必须最小化电路负载的应用的理想选择。 单一 TL071 和 TL081 设备提供偏移调整和外部补偿选项。 低输入偏置和补偿电流 广泛的电压范围:±5 至 ±15V 低噪音:1 kHz 时典型值为 18nV/√Hz 高转换速率:13 V/μs(典型) 低总谐波畸变:0.003%(典型) 提供单路、双路和四路设备 ### 运算放大器,Texas Instruments
JFET 输入,TL070 和 TL080 系列
Texas Instruments 普遍使用的高性能 JFET 输入、双极输出运算放大器,具有低输入偏置电流和高转换速率。 这些运算放大器具有低噪声和低失真,适合用于广泛的音频和信号处理应用。 高输入阻抗使其成为必须最小化电路负载的应用的理想选择。 单一 TL071 和 TL081 设备提供偏移调整和外部补偿选项。
低输入偏置和补偿电流
广泛的电压范围:±5 至 ±15V
低噪音:1 kHz 时典型值为 18nV/√Hz
高转换速率:13 V/μs(典型)
低总谐波畸变:0.003%(典型)
提供单路、双路和四路设备
得捷:
IC OPAMP JFET 4 CIRCUIT 14SOIC
欧时:
Texas Instruments 运算放大器 TL074ACD 四路, 3MHz增益带宽积, 14引脚 SOIC封装
德州仪器TI:
Quad, 30-V, 3-MHz, high slew rate 13-V/µs, 6-mV offset voltage, In to V+, JFET-input op amp
艾睿:
OP Amp Quad GP ±15V 14-Pin SOIC Tube
安富利:
OP Amp Quad GP ±18V 14-Pin SOIC Tube
Chip1Stop:
Standard Linear AmplifierLow-Noise JFET-Input Operational Amplifier OP Amp Quad GP ±18V 14-Pin SOIC Tube
Verical:
Op Amp Quad Low Noise Amplifier ±15V 14-Pin SOIC Tube
Newark:
# TEXAS INSTRUMENTS TL074ACD Operational Amplifier, Quad, 4 Amplifier, 3 MHz, 13 V/µs, 7V to 36V, SOIC, 14 Pins
Win Source:
IC OPAMP JFET 3MHZ 14SOIC
电源电压DC 15.0 V
供电电流 1.4 mA
电路数 4
通道数 4
共模抑制比 75 dB
输入补偿漂移 18.0 µV/K
带宽 3 MHz
转换速率 13.0 V/μs
增益频宽积 3 MHz
输入补偿电压 3 mV
输入偏置电流 65 pA
工作温度Max 70 ℃
工作温度Min 0 ℃
增益带宽 3 MHz
共模抑制比Min 75 dB
电源电压 7V ~ 36V
安装方式 Surface Mount
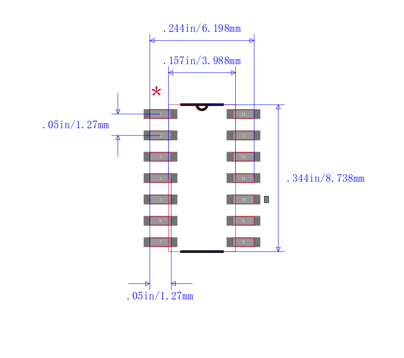
引脚数 14
封装 SOIC-14
长度 8.65 mm
宽度 3.91 mm
高度 1.58 mm
封装 SOIC-14
工作温度 0℃ ~ 70℃
产品生命周期 Active
包装方式 Tube
RoHS标准 RoHS Compliant
含铅标准 Lead Free
REACH SVHC标准 No SVHC
REACH SVHC版本 2015/06/15



| 型号/品牌 | 代替类型 | 替代型号对比 |
|---|---|---|
TL074ACD TI 德州仪器 | 当前型号 | 当前型号 |
TL074ACDRG4 德州仪器 | 完全替代 | TL074ACD和TL074ACDRG4的区别 |
TL074ACDR 德州仪器 | 类似代替 | TL074ACD和TL074ACDR的区别 |
TL074ACDE4 德州仪器 | 类似代替 | TL074ACD和TL074ACDE4的区别 |