





增强型JFET低偏移运算放大器 ENHANCED-JFET LOW-OFFSET OPERATIONAL AMPLIFIERS
description/ordering information
The TL05x series of JFET-input operational amplifiers offers improved dc and ac characteristics over the TL07x and TL08x families of BiFET operational amplifiers. On-chip Zener trimming of offset voltage yields precision grades as low as 1.5 mV TL051A for greater accuracy in dc-coupled applications. Texas Instruments improved BiFET process and optimized designs also yield improved bandwidth and slew rate without increased power consumption. The TL05x devices are pin-compatible with the TL07x and TL08x and can be used to upgrade existing circuits or for optimal performance in new designs.
Direct Upgrades to TL07x and TL08x BiFET Operational Amplifiers
Faster Slew Rate 20 V/µs Typ Without Increased Power Consumption
On-Chip Offset-Voltage Trimming for Improved DC Performance and Precision Grades Are Available 1.5 mV, TL051A
输出电流 ≤80 mA
供电电流 8.4 mA
电路数 4
通道数 4
共模抑制比 65 dB
输入补偿漂移 23.0 µV/K
带宽 2.70 MHz
转换速率 20.0 V/μs
增益频宽积 2.7 MHz
输入补偿电压 560 µV
输入偏置电流 30 pA
工作温度Max 85 ℃
工作温度Min -40 ℃
增益带宽 2.7 MHz
共模抑制比Min 65 dB
电源电压Max 30 V
电源电压Min 10 V
安装方式 Surface Mount
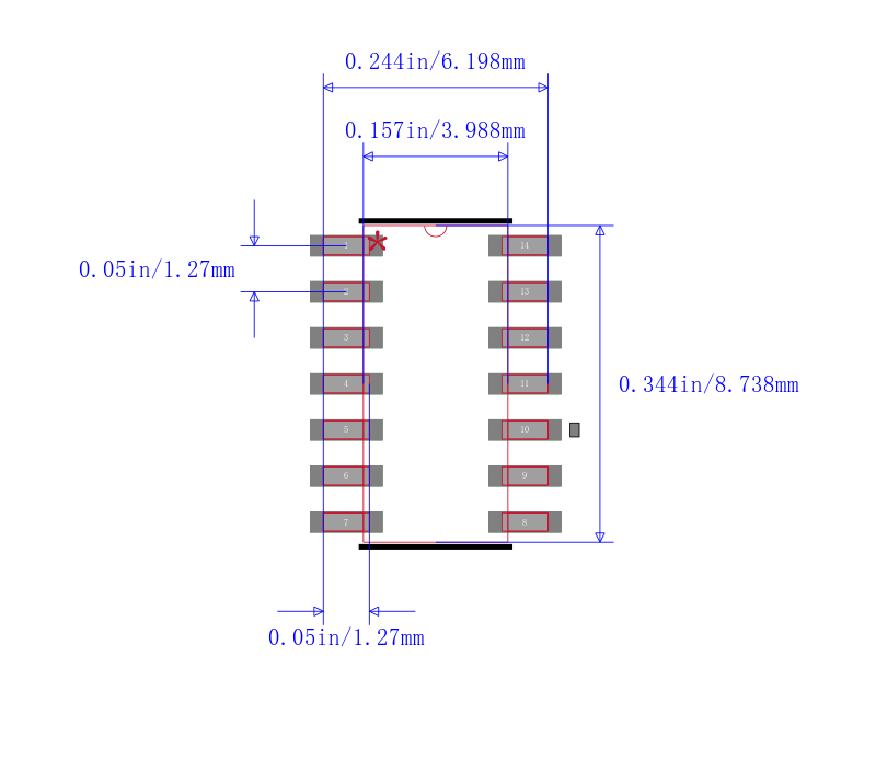
引脚数 14
封装 SOIC-14
长度 8.65 mm
宽度 3.91 mm
高度 1.58 mm
封装 SOIC-14
工作温度 -40℃ ~ 85℃
产品生命周期 Active
包装方式 Tube
RoHS标准 RoHS Compliant
含铅标准 Lead Free



| 型号/品牌 | 代替类型 | 替代型号对比 |
|---|---|---|
TL054IDG4 TI 德州仪器 | 当前型号 | 当前型号 |
TL054ID 德州仪器 | 完全替代 | TL054IDG4和TL054ID的区别 |
TL054IDR 德州仪器 | 完全替代 | TL054IDG4和TL054IDR的区别 |
TL054IDRG4 德州仪器 | 完全替代 | TL054IDG4和TL054IDRG4的区别 |