










高性能的电流模式PWM控制器 HIGH-PERFORMANCE CURRENT-MODE PWM CONTROLLERS
Never worry about explosions or smoking components with this current controller from Texas Instruments. With an output that has a voltage of 0 to 30 V, this is power management at its best. Its single PWM output produces a current of 200Max mA. This current mode controller supports boost|flyback|forward topology. This part offers a switching frequency of 500 kHz in order to work properly. In order to ensure parts aren"t damaged by bulk packaging, this product comes in tube packaging to add a little more protection by storing the loose parts in an outer tube. This current mode controller has a minimum operating temperature of -40 °C and a maximum of 85 °C. This device has a maximum of 30 V. This current mode controller"s maximum duty cycle is 97Typ %.
频率 500 kHz
输出接口数 1
输入电压DC 5.50 V
输出电压 0V ~ 30V
输出电流 200 mA
供电电流 17 mA
调节输出数 1
上升时间 50 ns
开关频率 100 kHz
拓扑结构 Boost, Flyback, Forward
占空比 100 %
最大占空比 97 %
下降时间 50 ns
工作温度Max 85 ℃
工作温度Min -40 ℃
电源电压 7.6V ~ 30V
安装方式 Surface Mount
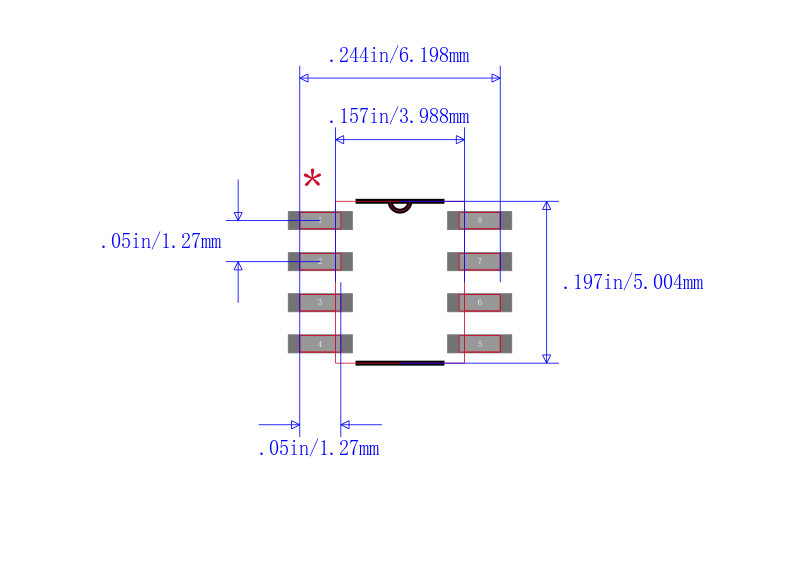
引脚数 8
封装 SOIC-8
封装 SOIC-8
工作温度 -40℃ ~ 85℃
产品生命周期 Active
包装方式 Tube
RoHS标准 RoHS Compliant
含铅标准 Lead Free
ECCN代码 EAR99



| 型号/品牌 | 代替类型 | 替代型号对比 |
|---|---|---|
TL2843BD-8 TI 德州仪器 | 当前型号 | 当前型号 |
TL2843BDR-8 德州仪器 | 完全替代 | TL2843BD-8和TL2843BDR-8的区别 |
TL2844BDR-8 德州仪器 | 完全替代 | TL2843BD-8和TL2844BDR-8的区别 |
TL3842BD-8 德州仪器 | 完全替代 | TL2843BD-8和TL3842BD-8的区别 |