













MOSFET 和 IGBT 驱动器,高达 2.5A,Texas InstrumentsTexas Instruments 专用栅极驱动器 IC 系列适用于 MOSFET 和 IGBT 应用。 设备可提供适合与 MOSFET 和 IGBT 电源设备兼容的高电流输出,且提供各种配置和封装类型。### MOSFET & IGBT 驱动器,Texas Instruments
MOSFET 和 IGBT 驱动器,高达 2.5A,Texas Instruments
Texas Instruments 专用栅极驱动器 IC 系列适用于 MOSFET 和 IGBT 应用。 设备可提供适合与 MOSFET 和 IGBT 电源设备兼容的高电流输出,且提供各种配置和封装类型。
### MOSFET & IGBT 驱动器,Texas Instruments
得捷:
IC GATE DRVR LOW-SIDE 8DIP
立创商城:
低边 MOSFET 灌:2A 拉:2A
德州仪器TI:
2-A/2-A dual-channel gate driver with 2 inverting drivers and internal regulator
欧时:
Texas Instruments TPS2811P 双 MOSFET 功率驱动器, 2A, 4 → 14 V电源, 8引脚 PDIP封装
贸泽:
门驱动器 Dual 2A Hi Sp Invert
艾睿:
Driver 2A 2-OUT High Speed Inv 8-Pin PDIP Tube
安富利:
MOSFET DRVR 2A 2-OUT High Speed Inv 8-Pin PDIP Tube
Chip1Stop:
Driver 2A 2-OUT High Speed Inv 8-Pin PDIP Tube
Verical:
Driver 2A 2-OUT High Speed Inv 8-Pin PDIP Tube
力源芯城:
双路高速反相MOSFET驱动器
电源电压DC 4.00V min
上升/下降时间 14ns, 15ns
输出接口数 2
输出电压 15.5 V
输出电流 2 A
供电电流 5.00 mA
通道数 2
耗散功率 1090 mW
上升时间 14 ns
输出电压Max 13 V
下降时间 15 ns
下降时间Max 35 ns
上升时间Max 35 ns
工作温度Max 125 ℃
工作温度Min -40 ℃
耗散功率Max 1090 mW
电源电压 4V ~ 14V
电源电压Max 14 V
电源电压Min 4 V
安装方式 Through Hole
引脚数 8
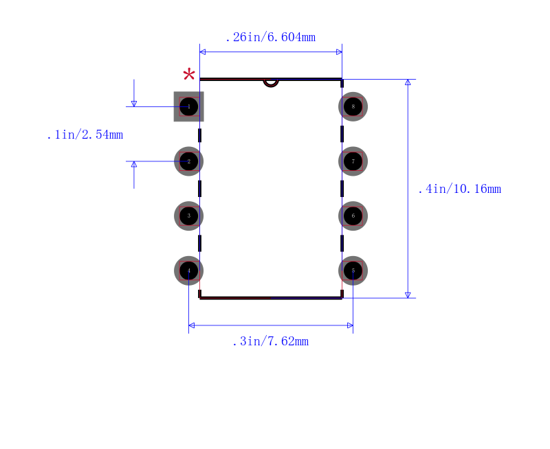
封装 PDIP-8
长度 9.81 mm
宽度 6.35 mm
高度 4.57 mm
封装 PDIP-8
工作温度 -40℃ ~ 125℃
产品生命周期 Active
包装方式 Tube
RoHS标准 RoHS Compliant
含铅标准 Lead Free
REACH SVHC版本 2015/06/15
ECCN代码 EAR99



| 型号/品牌 | 代替类型 | 替代型号对比 |
|---|---|---|
TPS2811P TI 德州仪器 | 当前型号 | 当前型号 |
TPS2811PE4 德州仪器 | 完全替代 | TPS2811P和TPS2811PE4的区别 |
UC3707N 德州仪器 | 功能相似 | TPS2811P和UC3707N的区别 |
UC3709NG4 德州仪器 | 功能相似 | TPS2811P和UC3709NG4的区别 |