TV15C140JB-G

TV15C140JB-G图片1
TV15C140JB-G概述

ESD 抑制器/TVS 二极管 TVS 1500W 14V

25.8V 夹子 58.14A Ipp TVS - 表面贴装型 DO-214AB(SMC)


立创商城:
Vrwm:14V 1.5kW


得捷:
TVS DIODE 14VWM 25.8VC DO214AB


贸泽:
ESD 抑制器/TVS 二极管 TVS 1500W 14V


TV15C140JB-G中文资料参数规格
技术参数

工作电压 14 V

击穿电压 15.6 V

耗散功率 6.5 W

钳位电压 23.2 V

脉冲峰值功率 1500 W

最小反向击穿电压 15.6 V

工作温度Max 150 ℃

工作温度Min -55 ℃

封装参数

安装方式 Surface Mount

封装 DO-214AB-2

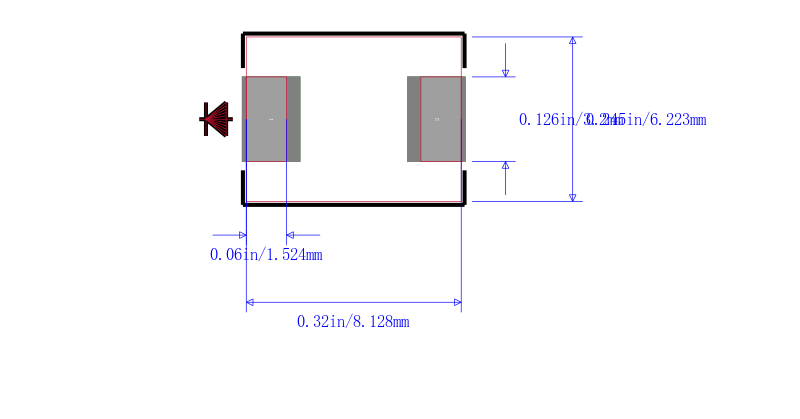
外形尺寸

封装 DO-214AB-2

物理参数

工作温度 -55℃ ~ 150℃ TJ

其他

产品生命周期 Active

制造应用 通用

符合标准

RoHS标准 RoHS Compliant

含铅标准 Lead Free

数据手册

TV15C140JB-G引脚图与封装图
TV15C140JB-G引脚图
TV15C140JB-G封装图
TV15C140JB-G封装焊盘图
在线购买TV15C140JB-G
型号: TV15C140JB-G
制造商: Comchip Technology 上华科技
描述:ESD 抑制器/TVS 二极管 TVS 1500W 14V

 锐单商城 - 一站式电子元器件采购平台  

 深圳锐单电子有限公司