




Res Trimmer 20KΩ 25% 0.1W1/10W 1Elec/1MechTurns 3 X 3.8mm Foot Print SMD T/R
0.1W,1/10W J 引线 表面贴装型 微调电位计 金属陶瓷 匝 顶部调节
得捷:
TRIMMER 20K OHM 0.1W J LEAD TOP
艾睿:
Res Trimmer 20K Ohm 25% 0.1W1/10W 1Elec/1MechTurns 3 X 3.8mm Foot Print SMD T/R
安富利:
Res Trimmer 20K Ohm 25% 1/10W 1Elec/1MechTurn 3 X 3.8mm Foot Print SMD Embossed T/R
容差 ±25 %
额定功率 0.1 W
电阻 20 kΩ
安装方式 Surface Mount
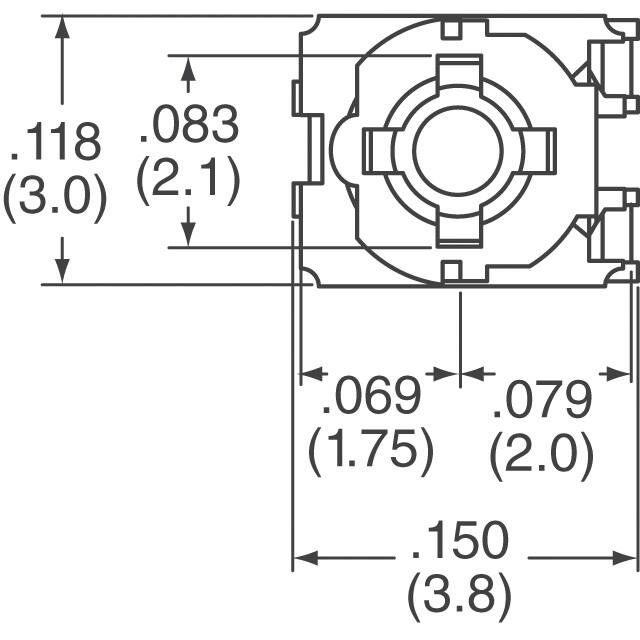
封装 Square - 0.150" L x 0.118" W x 0.047" H 3.80mm x 3.00mm x 1.20mm
封装 Square - 0.150" L x 0.118" W x 0.047" H 3.80mm x 3.00mm x 1.20mm
工作温度 -40℃ ~ 100℃
温度系数 ±250 ppm/℃
产品生命周期 Active
包装方式 Tape & Reel TR
RoHS标准 RoHS Compliant
含铅标准 Lead Free
| 型号/品牌 | 代替类型 | 替代型号对比 |
|---|---|---|
TC33X-2-203G Bourns J.W. Miller 伯恩斯 | 当前型号 | 当前型号 |
TC33X-2-203E 伯恩斯 | 完全替代 | TC33X-2-203G和TC33X-2-203E的区别 |
TC73X-1-203E 伯恩斯 | 功能相似 | TC33X-2-203G和TC73X-1-203E的区别 |
X22 伯恩斯 | 功能相似 | TC33X-2-203G和X22的区别 |