







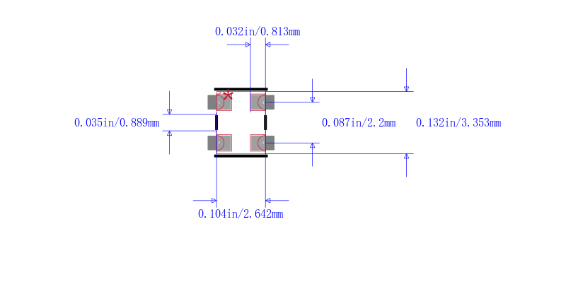
TXC TC-22.5792MBD-T 振荡器, MEMS, CMOS, 22.5792MHZ, SMD
CMOS XO(标准) 3.3V 启用/禁用 4-SMD,无引线
得捷:
MEMS OSC XO 22.5792MHZ CMOS SMD
e络盟:
振荡器, MEMS, CMOS, 22.5792MHZ, SMD
艾睿:
Oscillator MEMS 22.5792MHz
Verical:
Oscillator MEMS 22.5792MHz ±25ppm Stability 15pF CMOS 55% 3.3V 4-Pin QFN SMD T/R
Newark:
# TXC TC-22.5792MBD-T MEMS Oscillator, Silicon, 22.5792 MHz, 25 ppm, SMD, 3.2mm x 2.5mm, 3.3 V, TC Series, -40 °C



| 型号/品牌 | 代替类型 | 替代型号对比 |
|---|---|---|
TC-22.5792MBD-T TXC Corporation 晶技 | 当前型号 | 当前型号 |
7X-22.5792MBD-T 晶技 | 完全替代 | TC-22.5792MBD-T和7X-22.5792MBD-T的区别 |
TC-22.5792MBE-T 晶技 | 类似代替 | TC-22.5792MBD-T和TC-22.5792MBE-T的区别 |