




The TLV5613 is a 12Bit voltage output digital-to-analog converter DAC with a 8Bit microcontroller compatible para...
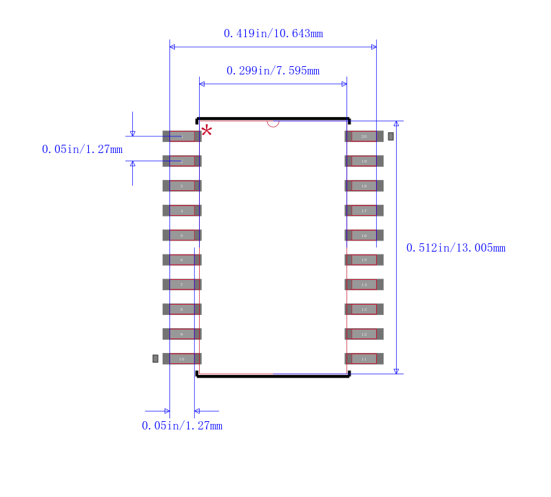
12 Bit Digital to Analog Converter 1 20-SOIC
得捷:
IC DAC 12BIT V-OUT 20SOIC



| 型号/品牌 | 代替类型 | 替代型号对比 |
|---|---|---|
TLV5613CDWR TI 德州仪器 | 当前型号 | 当前型号 |
TLV5613CDW 德州仪器 | 类似代替 | TLV5613CDWR和TLV5613CDW的区别 |
TLV5613IDW 德州仪器 | 类似代替 | TLV5613CDWR和TLV5613IDW的区别 |