







TPM 系列 220 uF ±20 % 16 V 表面贴装 超低ESR 钽贴片电容
模制 钽器 2917(7343 公制) 40 毫欧
得捷:
CAP TANT 220UF 20% 16V 2917
艾睿:
Compared to other capacitors, this TPME227M016R0040 tantalum solid capacitor from AVX provides a higher capacitance per volume, as well as a lower footprint design. It can withstand a voltage of 16 VDC. Its leakage current is 35 μA. This solid capacitor has a maximum operating temperature of 125 °C. Its capacitance value is 220uF. This product is 7.3 mm long, 4.1 mm tall and 4.3 mm deep. It has a tolerance of 20%.
安富利:
Cap Tant Solid 220uF 16V E CASE 20% 7.3 X 4.3 X 4.1mm SMD 7343-43 0.04 Ohm 125°C T/R
Verical:
Cap Tant Solid 220uF 16V E CASE 20% 7.3 X 4.3 X 4.1mm Inward L SMD 7343-43 0.04 Ohm 125C T/R
Newark:
# AVX TPME227M016R0040 Surface Mount Tantalum Capacitor, 220 µF, 16 V, TPM Series, 2917 [7343 Metric], -55 °C
额定电压DC 16.0 V
电容 220 µF
等效串联电阻ESR 40 mΩ
容差 ±20 %
工作温度Max 125 ℃
工作温度Min -55 ℃
额定电压 16 V
安装方式 Surface Mount
引脚数 2
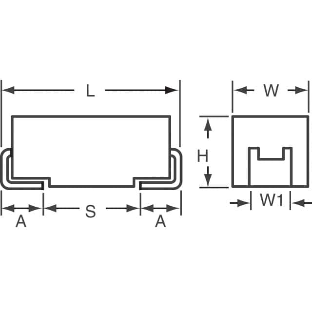
封装 7343
长度 7.30 mm
宽度 4.30 mm
高度 4.1 mm
封装 7343
介质材料 Tantalum
工作温度 -55℃ ~ 125℃
产品生命周期 Active
包装方式 Tape & Reel TR
最小包装 400
RoHS标准 RoHS Compliant
含铅标准 Lead Free
REACH SVHC版本 2015/12/17
| 型号/品牌 | 代替类型 | 替代型号对比 |
|---|---|---|
TPME227M016R0040 AVX 艾维克斯 | 当前型号 | 当前型号 |
TPME227K016R0040 艾维克斯 | 类似代替 | TPME227M016R0040和TPME227K016R0040的区别 |
TPME227K016H0040 艾维克斯 | 类似代替 | TPME227M016R0040和TPME227K016H0040的区别 |