TLP3131

TLP3131中文资料参数规格
技术参数

隔离电压 1500Vrms min

输入电压Max 1.3 V

输出电压Max 20 V

输出电流Max 0.3 A

输入电流Min 50 mA

工作温度Max 85 ℃

工作温度Min -20 ℃

封装参数

引脚数 4

封装 SOP

外形尺寸

封装 SOP

其他

产品生命周期 Unknown

符合标准

RoHS标准 RoHS Compliant

含铅标准 Lead Free

数据手册

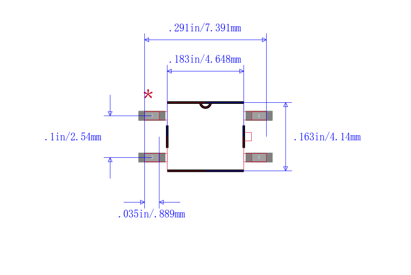
TLP3131引脚图与封装图
TLP3131引脚图
TLP3131封装图
TLP3131封装焊盘图
在线购买TLP3131
型号: TLP3131
制造商: Toshiba 东芝
描述:Relay SSR 50mA 1.3V DC-IN 0.3A 20V 4Pin SOP

 锐单商城 - 一站式电子元器件采购平台  

 深圳锐单电子有限公司