













WT 系列,105°C宽工作范围 –55 到 +105°C 的片式工作。 额定电压范围为 4 至 50V 额定电容范围为 0.1 至 1500μF 设计用于表面安装到高密度 PC 板上。 适用于自动安装机器,用输送带送料。 符合 RoHS 指令 2011/65/EU。 WT 系列的无铅型号 工作温度范围 | -55 至 +105°C ---|--- 电容容差 | ±20%(120 Hz,20°C) 泄漏电流 μA | 最大 0.01 CV 或 3(取较大值)(二分法) 高温负载特性 | 105°C 时为 1000 小时 ### 表面安装 105°C 系列
铝电解器,WT 系列,105°C
宽工作范围 –55 到 +105°C 的片式工作。
额定电压范围为 4 至 50V
额定电容范围为 0.1 至 1500μF
设计用于表面安装到高密度 PC 板上。
适用于自动安装机器,用输送带送料。
符合 RoHS 指令 2011/65/EU。
WT 系列的无铅型号
工作温度范围 | -55 至 +105°C
---|---
电容容差 | ±20%(120 Hz,20°C)
泄漏电流 μA | 最大 0.01 CV 或 3(取较大值)(二分法)
高温负载特性 | 105°C 时为 1000 小时
得捷:
CAP ALUM 150UF 20% 16V SMD
立创商城:
150uF ±20% 16V
欧时:
Nichicon 铝电解电容器 WT 系列 16V dc 150μF 表面安装器件 UWT1C151MCL1GS, ±20%容差, 最高+105°C
艾睿:
Who knew generating high heat for a given current level would be this easy? Pick up this unique electrolytic UWT1C151MCL1GS aluminum capacitor from Nichicon for its relatively high ESR! It can withstand a voltage of 16 VDC. This aluminum electrolytic capacitor has a maximum operating temperature of 105 °C. This product is 7.7 mm tall with a diameter of 6.3 mm. It has a tolerance of 20%. Its leakage current is 24@2Min μA. Its capacitance value is 150uF.
安富利:
Cap Aluminum 150uF 16V 20% 6.3 X 7.7mm SMD 95mA 1000 hr 105°C T/R
Chip1Stop:
Cap Aluminum Lytic 150uF 16V 20% 6.3 X 7.7mm SMD 95mA 1000h 105ÂÂ℃ T/R
TME:
Capacitor: electrolytic; SMD; 150uF; 16VDC; Ø6.3x7.7mm; ±20%; 1000h
Verical:
Cap Aluminum Lytic 150uF 16V 20% 6.3 X 7.7mm SMD 95mA 1000h 105C Automotive T/R
Newark:
# NICHICON UWT1C151MCL1GS SMD Aluminum Electrolytic Capacitor, 150 µF, 16 V, WT Series
额定电压DC 16.0 V
工作电压 16 VDC
电容 150 µF
容差 ±20 %
产品系列 UWT
纹波电流 95 mA
纹波电流高频 95mA @120Hz
纹波电流低频 142.5mA @10kHz
工作温度Max 105 ℃
工作温度Min -55 ℃
额定电压 16 V
安装方式 Surface Mount
引脚数 2
封装 SMD
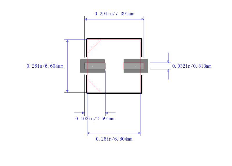
长度 6.6 mm
宽度 6.6 mm
高度 7.7 mm
直径 6.30 mm
封装 SMD
介质材料 Aluminum Electrolytic
工作温度 -55℃ ~ 105℃
产品生命周期 Active
包装方式 Tape & Reel TR
最小包装 900
寿命(小时) 1000 h
制造应用 通用
RoHS标准 RoHS Compliant
含铅标准 Lead Free
REACH SVHC版本 2015/12/17



| 型号/品牌 | 代替类型 | 替代型号对比 |
|---|---|---|
UWT1C151MCL1GS Nichicon 尼吉康 | 当前型号 | 当前型号 |
UWT1C151MCR1GS 尼吉康 | 完全替代 | UWT1C151MCL1GS和UWT1C151MCR1GS的区别 |
EEEFPC151XAP 松下 | 功能相似 | UWT1C151MCL1GS和EEEFPC151XAP的区别 |
UWZ1C151MCL1GS 尼吉康 | 功能相似 | UWT1C151MCL1GS和UWZ1C151MCL1GS的区别 |