



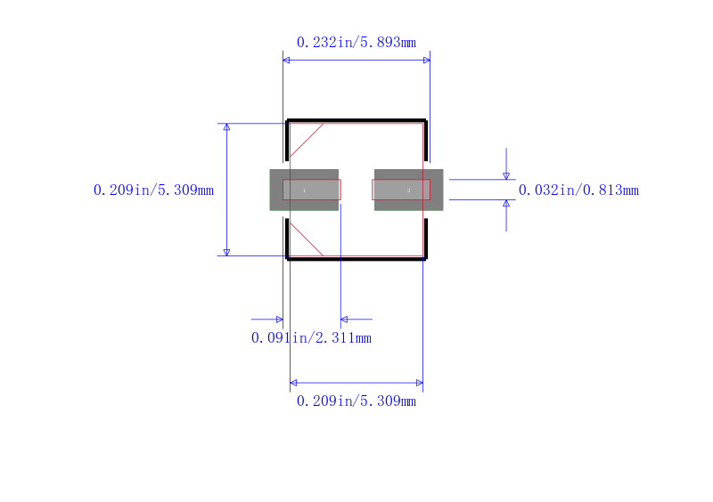
4.7uF ±20% 50V Φ5mm 5.8mm
4.7 µF 50 V 铝电解器 径向,Can - SMD - 105°C 时为 5000 小时
立创商城:
4.7uF ±20% 50V
得捷:
CAP ALUM 4.7UF 20% 50V SMD
艾睿:
Cap Aluminum Lytic 4.7uF 50V 20% 5 X 5.8mm SMD 19mA 5000h 105°C T/R
安富利:
Cap Aluminum 4.7uF 50V 20% 5 X 5.8mm SMD 19mA 5000 hr 105°C T/R
Chip1Stop:
Cap Aluminum Lytic 4.7uF 50V 20% 5 X 5.8mm SMD 19mA 5000h 105℃ T/R
Verical:
Cap Aluminum Lytic 4.7uF 50V 20% 5 X 5.8mm SMD 19mA 5000h 105C Automotive T/R



| 型号/品牌 | 代替类型 | 替代型号对比 |
|---|---|---|
UUL1H4R7MCL1GS Nichicon 尼吉康 | 当前型号 | 当前型号 |
EEE-HA1H4R7AR 松下 | 功能相似 | UUL1H4R7MCL1GS和EEE-HA1H4R7AR的区别 |
EEE-HB1H4R7AR 松下 | 功能相似 | UUL1H4R7MCL1GS和EEE-HB1H4R7AR的区别 |
EEE-HC1H4R7R 松下 | 功能相似 | UUL1H4R7MCL1GS和EEE-HC1H4R7R的区别 |